1Gbps to 4.25Gbps Multirate VCSEL Driver with Diagnostic Monitors
Analog Devices
RSS
Sample
- Darmowa próbka
- MPN:
- MAX3795
- Producent:
- ANALOG DEVICES
- Dodany do bazy:
- Ostatnio widziany:
Sugerowane produkty dla ds1856
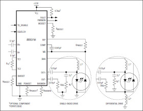
The MAX3795 is a high-speed VCSEL driver for small-form-factor (SFF) and small-form-factor pluggable (SFP) fiber optic transmitters. It contains a bias generator, a laser modulator, and comprehensive safety features. The automatic power control (APC) adjusts the laser bias current to maintain average optical power over changes in temperature and laser properties. The driver accommodates common-cathode and differential configurations.
The MAX3795 operates up to 4.25Gbps. It can switch up to 15mA of laser modulation current and source up to 15mA of bias current. Adjustable temperature compensation is provided to keep the optical extinction ratio within specifications over the operating temperature range. The MAX3795 interfaces with the Dallas DS1856/DS1859 to meet SFF-8472 timing and diagnostic requirements. The MAX3795 accommodates various VCSEL packages, including low-cost TO-46 headers.
The MAX3795 safety circuit detects faults that could cause hazardous light levels and disables the VCSEL output. The safety circuits are compliant with SFF and SFP multisource agreements (MSAs).
The MAX3795 is available in a compact 4mm x 4mm, 24-pin thin QFN package and operates over the -40°C to +85°C temperature range. The MAX3795 is pin-for-pin compatible with the MAX3740A and is available in lead-free packages.
Applications
* Fibre Channel Optical Transmitters * Gigabit Ethernet Optical Transmitters * Multirate (1Gbps to 4.25Gbps) SFF/SFP Modules
* Supports All SFF-8472 Digital Diagnostics
* 3.3V ±10% Single Supply
* 2mA to 15mA Modulation Current
* 1mA to 15mA Bias Current
* 52ps Transition Time
* 8.4ps Deterministic Jitter
* Optional Peaking Current to Improve VCSEL Edge Speed
* Supports Common-Cathode and Differential Configuration
* Safety Circuits Compliant with SFF and SFP MSAs
* Pin Compatible to MAX3740A
Elecena nie prowadzi sprzedaży elementów elektronicznych, ani w niej nie pośredniczy.
Produkt pochodzi z oferty sklepu Analog Devices