elecena.pl

High-Frequency, Current-Mode PWM Controller with Accurate Oscillator and Dual FET Drivers

Analog Devices

High-Frequency, Current-Mode PWM Controller with Accurate Oscillator and Dual FET Drivers RSS Sample
  • Darmowa próbka
MPN:
MAX5069
Producent:
ANALOG DEVICES
Dodany do bazy:
Ostatnio widziany:
Zmiana ceny:
-100% (25.03.2024)
Poprzednia cena:
4.80

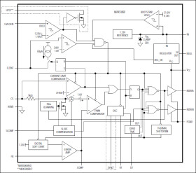
The MAX5069 is a high-frequency, current-mode, pulse-width modulation (PWM) controller (with dual MOSFET drivers) that integrates all the building blocks necessary for implementing AC-DC or DC-DC fixed-frequency power supplies. Isolated or nonisolated pushpull and half/full-bridge power supplies are easily constructed using either primary- or secondary-side regulation. Current-mode control with leading-edge blanking simplifies control-loop design and a programmable internal slope-compensation circuit stabilizes the current loop when operating at duty cycles above 50%.

An input undervoltage lockout (UVLO) programs the input-supply startup voltage and ensures proper operation during brownout conditions.

A single external resistor programs the oscillator frequency from 50kHz to 2.5MHz. The MAX5069A/D provide a SYNC input for synchronization to an external clock. The maximum FET-driver duty cycle for the MAX5069 is 50%. Programmable dead time allows additional flexibility in optimizing magnetic design and overcoming parasitic effects. Programmable hiccup current limit provides additional protection under severe faults.

The MAX5069 is specified over the -40°C to +125°C automotive temperature range and is available in a 16-pin thermally enhanced TSSOP-EP package. Refer to the MAX5068 data sheet for single FET-driver applications.

Warning: The MAX5069 is designed to work with high voltages. Exercise caution.

Applications

* Industrial Power Conversion * Isolated Telecom Power Supplies * Networking System Power Supplies * Server Power Supplies * Universal-Input AC Power Supplies

* Current-Mode Control with 47µA (typ) Startup Current

* Oscillator Frequency Programmable to 2.5MHz

* Resistor-Programmable ±4.5% Accurate Switching Frequency

* Dual Gate-Drive Output for Half/Full-Bridge or Push-Pull Applications

* Rectified 85VAC to 265VAC, or 36VDC to 72VDC Input (MAX5069A/B)

* Input Directly Driven from 10.8V to 24V (MAX5069C/D/E)

* Programmable Dead Time and Slope Compensation

* Programmable Startup Voltage (UVLO)

* Programmable UVLO Hysteresis (MAX5069B/C/E)

* Frequency Synchronization Input (MAX5069A/D)

* -40°C to +125°C Automotive Temperature Range

* 16-Pin Thermally Enhanced TSSOP-EP Package

Elecena nie prowadzi sprzedaży elementów elektronicznych, ani w niej nie pośredniczy.

Produkt pochodzi z oferty sklepu