elecena.pl

CMOS Quad, 12-Bit, Serial-Input Multiplying DAC

Analog Devices

CMOS Quad, 12-Bit, Serial-Input Multiplying DAC RSS Sample
  • Darmowa próbka
MPN:
MAX514
Producent:
ANALOG DEVICES
Dodany do bazy:
Ostatnio widziany:

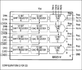
The MAX514 contains four 12-bit R-2R multiplying digital-to-analog converters (DACs), each with a serial-in parallel-out shift register, a DAC register, and control logic. The MAX514’s 3-wire serial interface design minimizes the number of package pins and internal level translators, so it uses less board space and dissipates less power (10mW max) than parallel-interface devices.

When used with microprocessors (µPs) with a serial port, the MAX514 minimizes digital-noise feedthrough from its logic input pins to its analog output. To further reduce noise, the µP serial port can be used as a dedicated analog bus and kept inactive while the MAX514 is in use. Serial interfacing also simplifies opto-coupler or transformer-isolated applications. This device uses low-tempco thin-film resistors, laser trimmed to ±1 LSB linearity, with gain accuracy better than ±1½ LSB. The MAX514 is specified with a +5V power supply. All logic inputs are TTL and CMOS compatible. It comes in space-saving 24-pin DIP and 28-pin SO packages.

Applications

* µP-Controlled Systems * Arbitrary Waveform Generation (AWG) * Automatic Test Equipment * Digital Offset/Gain Adjustment * Industrial Process Controls * Motion Control Systems * Programmable Amplifiers/Attenuators

* Four 12-Bit Accurate DACs

* Fast 3-Wire Serial Interface

* Low Differential Nonlinearity: at ±½ LSB Max

* Low Integral Nonlinearity: at ±1 LSB Max

* Gain Accuracy to at ±1½ LSB Max

* Low Gain Tempco: 5ppm/°C Max

* Operates from a Single +5V Power Supply

* TTL/CMOS Compatible

* Available in 24-Pin DIP and 28-Pin SO Packages

Elecena nie prowadzi sprzedaży elementów elektronicznych, ani w niej nie pośredniczy.

Produkt pochodzi z oferty sklepu