Dual, 8-Bit, 40MHz, Current/Voltage, Alternate-Phase Output DACs
Analog Devices
RSS
Sample
- Darmowa próbka
- MPN:
- MAX5188
- Producent:
- ANALOG DEVICES
- Dodany do bazy:
- Ostatnio widziany:
Sugerowane produkty dla max5188
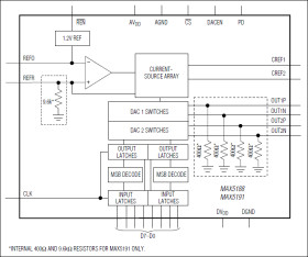
The MAX5188 is a dual 8-bit, alternate-phase-update, current-output digital-to-analog converter (DAC) designed for superior performance in systems requiring analog signal reconstruction with low distortion and low-power operation. The MAX5191 provides equal specifications, with on-chip output resistors for voltage-output operation. Both devices are designed for 10pV-s glitch operation to reduce distortion and minimize unwanted spurious signal components at the output. An on-board +1.2V bandgap circuit provides a well-regulated, low-noise reference that may be disabled for external reference operation.
The MAX5188/MAX5191 are designed to provide a high level of signal integrity for the least amount of power dissipation. Both DACs operate from a +2.7V to +3.3V single supply. Additionally, these DACs have three modes of operation: normal, low-power standby, and full shutdown. A full shutdown provides the lowest possible power dissipation with a maximum shutdown current of 1µA. A fast wake-up time (0.5µs) from standby mode to full DAC operation allows for power conservation by activating the DACs only when required.
The MAX5188/MAX5191 are available in a 28-pin QSOP package and are specified for the extended (-40°C to +85°C) temperature range. For pin-compatible 10-bit versions, refer to the MAX5182/MAX5185 data sheet.
Applications
* Arbitrary Waveform Generation (AWG) * Digital Signal Processing (DSP) * Imaging * Signal Reconstruction
* +2.7V to +3.3V Single-Supply Operation
* Wide Spurious-Free Dynamic Range: 70dB at fOUT = 2.2MHz
* Fully Differential Outputs for Each DAC
* ±0.5% FSR Gain Mismatch Between DAC Outputs
* Low-Current Standby or Full Shutdown Modes
* Internal +1.2V Low-Noise Bandgap Reference
* Small 28-Pin QSOP Package
Elecena nie prowadzi sprzedaży elementów elektronicznych, ani w niej nie pośredniczy.
Produkt pochodzi z oferty sklepu Analog Devices