elecena.pl

3.3V, 14-Bit, 500Msps High Dynamic Performance DAC with Differential LVDS Inputs

Analog Devices

3.3V, 14-Bit, 500Msps High Dynamic Performance DAC with Differential LVDS Inputs RSS Sample
  • Darmowa próbka
MPN:
MAX5887
Producent:
ANALOG DEVICES
Dodany do bazy:
Ostatnio widziany:
Zmiana ceny:
-100% (18.01.2025)
Poprzednia cena:
47.04

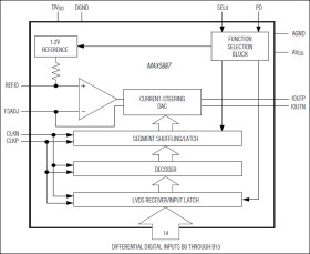
The MAX5887 is an advanced, 14-bit, 500Msps digital-to-analog converter (DAC) designed to meet the demanding performance requirements of signal synthesis applications found in wireless base stations and other communications applications. Operating from a single 3.3V supply, this DAC offers exceptional dynamic performance such as 76dBc spurious-free dynamic range (SFDR) at fOUT = 30MHz. The DAC supports update rates of 500Msps and a power dissipation of only 230mW.

The MAX5887 utilizes a current-steering architecture, which supports a full-scale output current range of 2mA to 20mA, and allows a differential output voltage swing between 0.1VP-P and 1VP-P.

The MAX5887 features an integrated 1.2V bandgap reference and control amplifier to ensure high accuracy and low noise performance. Additionally, a separate reference input pin enables the user to apply an external reference source for optimum flexibility and to improve gain accuracy.

The digital and clock inputs of the MAX5887 are designed for differential low-voltage differential signal (LVDS)-compatible voltage levels. The MAX5887 is available in a 68-pin QFN package with an exposed paddle (EP) and is specified for the extended industrial temperature range (-40°C to +85°C).

Applications

* Automated Test Equipment (ATE)

* Base Stations: Single-/Multicarrier UMTS, CDMA, GSM

* Communications: LMDS, MMDS, Point-to-Point Microwave

* Digital Signal Synthesis

* Instrumentation

* 500Msps Output Update Rate

* Single 3.3V Supply Operation

* Excellent SFDR and IMD Performance

* SFDR = 76dBc at fOUT = 30MHz (to Nyquist)

* IMD = -85dBc at fOUT = 10MHz

* ACLR = 72dB at fOUT = 61MHz

* 2mA to 20mA Full-Scale Output Current

* Differential, LVDS-Compatible Digital and Clock Inputs

* On-Chip 1.2V Bandgap Reference

* Low 130mW Power Dissipation

* 68-Lead QFN-EP Package

Elecena nie prowadzi sprzedaży elementów elektronicznych, ani w niej nie pośredniczy.

Produkt pochodzi z oferty sklepu