elecena.pl

48V, Single-Port Network Power Switch For Power-Over-LAN

Analog Devices

48V, Single-Port Network Power Switch For Power-Over-LAN RSS Sample
  • Darmowa próbka
MPN:
MAX5922
Producent:
ANALOG DEVICES
Dodany do bazy:
Ostatnio widziany:
Zmiana ceny:
-100% (19.01.2025)
Poprzednia cena:
7.78

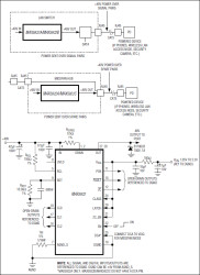
The MAX5922A/B/C is a single-port network power controller with an integrated power MOSFET, operating from a +32V to +60V supply rail. The device is specifically designed for power-sourcing equipment (PSE) in power-over-LAN applications and is fully compliant to the IEEE® 802.3af standard. The MAX5922 provides power devices (PD) discovery, classification, current limit, and other necessary functions for an IEEE 802.3af compliant PSE.

The MAX5922 is suitable for PSE function in both switch/router systems where the power is delivered to the load through the signal pairs, and in midspan systems where the power is delivered to the load through the spare pairs. In midspan mode, a detection collision avoidance circuit (MAX5922A/C only) provides the necessary back-off timing to prevent fault detections that happen when two different PSEs try to detect and power the same PD. The MAX5922B/C have a detection disable input that can be connected high to disable the detection/classification functions or connected low to enable them.

The MAX5922 features a programmable undervoltage lockout (UVLO) that keeps the device in shutdown until the input voltage exceeds a certain threshold, set to 38V (MAX5922A) or 28V (MAX5922B/C) internally. After successfully discovering and classifying a PD, the MAX5922 enters startup mode. During startup, the MAX5922 limits the output voltage and current slew rate to minimize EMI (electromagnetic interference). The MAX5922 has an integrated 0.45Ω N-channel power MOSFET that provides efficient operation and simplified system design. The MAX5922 monitors and provides current-limit protection to the load at all times. The current limit is programmable using an external current-sensing resistor. The MAX5922 features current-limit foldback and duty-cycle limit to ensure robust operation during load-fault and short-circuit conditions. Fault management allows the part to either latch-off or autorestart after a fault.

The MAX5922 provides POK, active-low ZC, and active-low FAULT status signals to indicate output power is good, zero-current fault, and other faults (overcurrent, overtemperature), respectively. The MAX5922 is available in a 28-pin TSSOP package and is rated over the extended -40°C to +85°C temperature range.

Applications

* Computer Telephony * Midspan Power Injectors * Power-Over-LAN/Power-Over-MDI (Media-Dependent Interface) * Power-Sourcing Equipment (PSE) * Single-Port Power Injector/Adapter * Switches/Routers with In-Line Power

* IEEE 802.3af Compliant

* +32V to +60V Wide Operating Input Range

* 0.45Ω Integrated Power Switch

* Power Device (PD) Detection and Classification

* 100µA PD Leakage Detection Tolerant

* Programmable Current Limit

* Zero-Current Detection with Status Output

* Detection Collision Avoidance Option for Midspan Application

* Input Logic Signals Compatible with 1.8V to 5V CMOS Logic

* Separate Analog and Digital Grounds with Up to ±4V Offset

* Power-Good Status Output

* Overcurrent and Overtemperature Protection with Status Outputs

* Current-Limit Foldback with Timeout and Duty-Cycle Control

* Latch or Autorestart Fault Management

Elecena nie prowadzi sprzedaży elementów elektronicznych, ani w niej nie pośredniczy.

Produkt pochodzi z oferty sklepu