Low-Voltage, Triple, Hot-Swap Controllers/Power Sequencers/Voltage Trackers
Analog Devices
RSS
Sample
- Darmowa próbka
- MPN:
- MAX5930A
- Producent:
- ANALOG DEVICES
- Dodany do bazy:
- Ostatnio widziany:
Sugerowane produkty dla max5930a
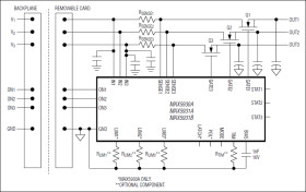
The MAX5930A/MAX5931A/MAX5931B +1V to +15V triple hot-swap controllers provide complete protection for multisupply systems. They allow the safe insertion and removal of circuit cards into live backplanes. These devices hot swap multiple supplies ranging from +1V to +15V, provided one supply is at or above +2.7V. The input voltage rails (channels) can be configured to sequentially turn-on/off, track each other, or have completely independent operation.
The discharged filter capacitors of the circuit card provide low impedance to the live backplane. High inrush currents from the backplane to the circuit card can burn up connectors and components, or momentarily collapse the backplane power supply leading to a system reset. The MAX5930A/MAX5931A/MAX5931B hot-swap controllers prevent such problems by gradually ramping up the output voltage and regulating the current to a preset limit when the board is plugged in, allowing the system to stabilize safely. After the startup cycle is complete, on-chip comparators provide VariableSpeed/BiLevel™ protection against short-circuit and overcurrent faults, and provide immunity against system noise and load transients.
The load is disconnected in the event of a fault condition. The MAX5930A/MAX5931A/MAX5931B fault-management mode is selectable, allowing latched fault or autoretry after a fault condition.
The MAX5930A/MAX5931A/MAX5931B offer a variety of options to reduce external component count and design time. All devices integrate an on-board charge pump to drive the gates of low-cost, external n-channel MOSFETs, an adjustable startup timer, and an adjustable current limit. The devices offer integrated features like startup current regulation and current glitch protection to eliminate external timing resistors and capacitors. The MAX5931A provides an opendrain, active-low status output for each channel, the MAX5931B provides an open-drain, active-high status output for each channel, and the MAX5930A status output polarity is selectable.
The MAX5930A is available in a 24-pin QSOP package, and the MAX5931A/MAX5931B are available in a 20-pin QSOP package. All devices are specified over the extended -40°C to +85°C temperature range.
Applications
* Base-Station Line Cards * Hot Plug-In Daughter Cards * Network Switches, Routers, Hubs * Portable Computer Device Bays (Docking Stations) * Power-Supply Sequencing/Tracking * RAID * Solid-State Circuit Breakers
* Safe Hot Swap for +1V to +15V Power Supplies with Any Input Voltage (VIN) ≥ 2.7V
* Adjustable Circuit-Breaker/Current-Limit Threshold from 25mV to 100mV
* Configurable Tracking, Sequencing, or Independent Operation Modes
* VariableSpeed/BiLevel Circuit-Breaker Response
* Internal Charge Pumps Generate n-Channel MOSFET Gate Drives
* Inrush Current Regulated at Startup
* Autoretry or Latched Fault Management
* Programmable Undervoltage Lockout
* Status Outputs Indicate Fault/Safe Condition
Elecena nie prowadzi sprzedaży elementów elektronicznych, ani w niej nie pośredniczy.
Produkt pochodzi z oferty sklepu Analog Devices