elecena.pl

Quad Network Power Controller for Power-Over-LAN

Analog Devices

Quad Network Power Controller for Power-Over-LAN RSS Sample
  • Darmowa próbka
MPN:
MAX5935
Producent:
ANALOG DEVICES
Dodany do bazy:
Ostatnio widziany:

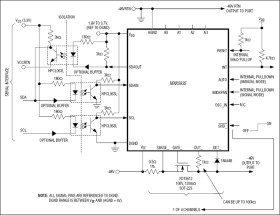
The MAX5935 quad network power controller is designed for use in IEEE 802.3af-compliant power sourcing equipment (PSE). The device provides power devices (PD) discovery, classification, current limit, and both DC and AC load disconnect detections. The MAX5935 can be used in either endpoint PSE (LAN switches/routers) or midspan PSE (power injector) applications.

The MAX5935 can operate autonomously or be controlled by software through an I²C-compatible interface. Separate input and output data lines (SDAIN and SDAOUT) allow usage with optocouplers. The MAX5935 is a slave device. Its four address inputs allow 16 unique MAX5935 addresses. A separate active-low INT output and four independent shutdown inputs (active-low SHD) allow fast response from a fault to port shutdown. An active-low RESET input allows hardware reset of the device. A special Watchdog feature allows the hardware to gracefully take over control if the software crashes. A cadence timing feature allows the MAX5935 to be used in midspan systems.

The MAX5935 is fully software configurable and programmable. A class-over-current detection function enables system power management to detect if a PD draws more current than the allowable amount for its class. Other features are input under/overvoltage lockout, overtemperature protection, output voltage slew-rate limit during startup, power-good, and fault status. The MAX5935's programmability includes gate charging current, current-limit threshold, startup timeout, overcurrent timeout, autorestart duty cycle, PD disconnect AC detection threshold, and PD disconnect detection timeout.

The MAX5935 is available in a 36-pin SSOP package and is rated for both extended (-40°C to +85°C) and commercial (0°C to +70°C) temperature ranges.

Applications

* Midspan Power Injectors * Power-Over-LAN/Power-Over-Ethernet * Power-Sourcing Equipment (PSE) * Routers/Switches

* IEEE 802.3af Compliant

* Controls Four Independent, -48V-Powered Ethernet Ports in Either Endpoint or Midspan PSE Applications

* Wide Digital Power Input, VDIG, Common-Mode Range: VEE to (AGND + 7.7V)

* PD Violation of Class Current Protection

* PD Detection and Classification

* Provides Both DC and AC Load Removal Detections

* I²C-Compatible, 3-Wire Serial Interface

* Fully Programmable and Configurable Operation Through I²C Interface

* Current Foldback and Duty-Cycle-Controlled/Programmable Current Limit

* Short-Circuit Protection with Fast Gate Pulldown

* Direct Fast Shutdown Control Capability

* Programmable Direct Interrupt Output

* Watchdog Mode Enable Hardware Graceful Takeover

Elecena nie prowadzi sprzedaży elementów elektronicznych, ani w niej nie pośredniczy.

Produkt pochodzi z oferty sklepu