IEEE 802.3af-Compliant Power-Over-Ethernet Interface/PWM Controller for Power Devices
Analog Devices
RSS
Sample
- Darmowa próbka
- MPN:
- MAX5941B
- Producent:
- ANALOG DEVICES
- Dodany do bazy:
- Ostatnio widziany:
- Zmiana ceny:
- -100% (18.01.2025)
- Poprzednia cena:
- 14.87
Sugerowane produkty dla max5941a
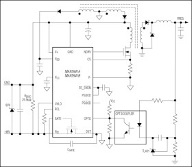
The MAX5941A/MAX5941B integrate a complete power IC for powered devices (PD) in a power-over-ethernet (PoE) system. The MAX5941A/MAX5941B provide a PD interface and a compact DC-DC PWM controller suitable for flyback and forward converters in either isolated or nonisolated designs.
The MAX5941A/MAX5941B PD interface complies with the IEEE® 802.3af standard, providing the PD with a detection signature, a classification signature, and an integrated isolation switch with programmable inrush current control. These devices also feature power-mode undervoltage lockout (UVLO) with wide hysteresis and power-good status outputs.
The MAX5941A/MAX5941B also integrate all the building blocks necessary for implementing DC-DC fixed-frequency isolated power supplies. These devices are a current-mode controller with an integrated high startup circuit suitable for isolated telecom/industrial voltage-range power supplies. A high-voltage startup circuit allows the PWM controller to draw power directly from the 18V to 67V input supply during startup. The switching frequency is internally trimmed to 275kHz ±10%, thus reducing magnetics and filter components. The MAX5941A allows an 85% operating duty cycle and can be used to implement flyback converters. The MAX5941B limits the operating duty cycle to less than 50% and can be used in single-ended forward converters. The MAX5941A/MAX5941B are designed to work with or without an external diode bridge in front of the PD.
The MAX5941A/MAX5941B are available in 16-pin SO packages.
Applications
* Computer Telephony * Internet Appliances * IP Phones * Power Devices in Power-Over-Ethernet/Power-Over-MDI * Security Cameras * Wireless Access Nodes
* Powered Device Interface
* Fully Integrated IEEE 802.3af-Compliant PD Interface
* PD Detection and Programmable Classification Signatures
* Less than 10µA Leakage Current Offset During Detection
* Integrated MOSFET for Isolation and Inrush Current Limiting
* Gate Output Allows External Control of the Internal Isolation FET
* Programmable Inrush Current Control
* Programmable Undervoltage Lockout
* PWM Controller
* Wide Input Range: 18V to 67V
* Current-Mode Control
* Leading-Edge Blanking
* Internally Trimmed 275kHz ±10% Oscillator
* Soft-Start
Elecena nie prowadzi sprzedaży elementów elektronicznych, ani w niej nie pośredniczy.
Produkt pochodzi z oferty sklepu Analog Devices