elecena.pl

Dual PCI Express, Hot-Plug Controller

Analog Devices

Dual PCI Express, Hot-Plug Controller RSS Sample
  • Darmowa próbka
MPN:
MAX5946L
Producent:
ANALOG DEVICES
Dodany do bazy:
Ostatnio widziany:

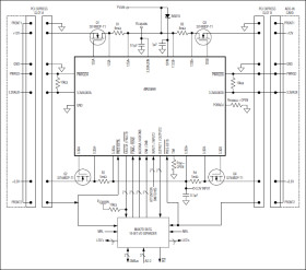
The MAX5946 dual hot-plug controller is designed for PCI Express® applications. The device provides hotplug control for 12V, 3.3V, and 3.3V auxiliary supplies of two PCI Express slots. The MAX5946's logic inputs/outputs allow interfacing directly with the system hot-plug management controller or through an SMBus™ with an external I/O expander. An integrated debounced attention switch and present-detect signals are included to simplify system design.

The MAX5946 drives four external n-channel MOSFETs to control the 12V and 3.3V main outputs. The 3.3V auxiliary outputs are controlled through internal 0.3Ω n-channel MOSFETs. Internal charge pumps provide gate drive for the 12V outputs while the gate drive of the 3.3V output is driven by the 12V input supply. The 3.3V auxiliary outputs are completely independent from the main outputs with their own charge pumps.

At power-up, the MAX5946 keeps all of the external MOSFETs off until the supplies rise above their respective undervoltage lockout (UVLO) thresholds. The device keeps the internal MOSFETs off only until the auxiliary input supply rises above its UVLO threshold. Upon a turn-on command, the MAX5946 enhances the external and internal MOSFETs slowly with a constant gate current to limit the power-supply inrush current. The MAX5946 actively limits the current of all outputs at all times and shuts down if an overcurrent condition persists for longer than a programmable overcurrent timeout. Thermal-protection circuitry also shuts down all outputs if the die temperature exceeds +150°C. After an overcurrent or overtemperature fault condition, the MAX5946L latches off while the MAX5946A automatically restarts after a restart time delay. The device is available in a 36-pin (6mm x 6mm) thin QFN package and operates over the -40°C to +85°C temperature range.

Applications

* Desktop/Mobile Server Platforms * Embedded Devices * Servers * Workstations

* PCI Express Compliant

* Hot Swaps 12V, 3.3V, and 3.3V Auxiliary for 2 PCI-E Slots

* Integrated Power MOSFET for Auxiliary Supply Rails

* Controls dI/dt and dV/dt

* Active Current Limiting Protects Against Overcurrent/Short-Circuit Conditions

* Programmable Current-Limit Timeout

* PWRGD-bar Signal Outputs with Programmable Power-On Reset (POR) (160ms Default)

* Latched FAULT-bar Signal Output after Overcurrent or Overtemperature Fault

* Attention Switch Inputs/Outputs with 4ms Debounce

* Present-Detect Inputs

* Forced-On Inputs Facilitates Testing

* Thermal Shutdown

* Allows Control through SMBus with an I/O Expander

Elecena nie prowadzi sprzedaży elementów elektronicznych, ani w niej nie pośredniczy.

Produkt pochodzi z oferty sklepu