elecena.pl

Dual, 7.5V to 76V, Hot-Swap and Diode ORing Controller

Analog Devices

Dual, 7.5V to 76V, Hot-Swap and Diode ORing Controller RSS Sample
  • Darmowa próbka
MPN:
MAX5963
Producent:
ANALOG DEVICES
Dodany do bazy:
Ostatnio widziany:

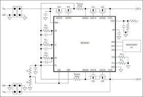
The MAX5963 dual hot-swap and diode ORing controller provides complete protection for dual-supply high availability systems. The device operates from 7.5V to 76V and provides hot-swap and low voltage-drop diode ORing functionality for two 7.5V to 76V outputs.

The MAX5963 allows for the safe insertion and removal of system line cards and FireWire® peripherals into a live backplane by providing inrush current control and active current limiting. The device controls external n-channel power MOSFETs to perform low-voltage-drop ORing, inrush current control, and current limiting functions. The current-limit function actively limits the current drawn by the load, protecting the load from a short-circuit condition. The MAX5963 also features a circuit-breaker function that disconnects the power to the load if the load current exceeds the circuit-breaker limit for a programmable circuit-breaker timeout.

The MAX5963 features an autoretry/latchoff input. In autoretry mode, the MAX5963 automatically restarts the turned-off channel after a programmable delay. In latchoff mode, the MAX5963 latches the channel off.

The MAX5963 consumes less than 10µA from the PWR supply in system power-off mode.

The MAX5963 is available in a 40-pin TQFN package (6mm x 6mm) and operates over the 0°C to +85°C upper commercial temperature range.

Applications

* Base-Station Line Cards * Blade Servers * FireWire Desktops/Notebook Ports * FireWire Hubs * Network Switches/Routers

* Hot Swaps Two 7.5V to 76V Supplies

* Integrates Low-Voltage-Drop ORing Controller

* ±5% Accuracy Bilevel Active Current Limit/Circuit Breaker

* Programmable Current-Limit/Circuit-Breaker Timeout

* 10µA Power-Off Mode Current

* Protects Up to Two FireWire Ports

* System Power-On/Off ORing

* Latchoff or Autoretry Power Management

* Independent ON/OFF Control Allows Undervoltage Lockout Programming

* Fast Load Disconnect through FOSO Input (FireWire Port)

Elecena nie prowadzi sprzedaży elementów elektronicznych, ani w niej nie pośredniczy.

Produkt pochodzi z oferty sklepu