elecena.pl

High-Power, Quad, Monolithic, PSE Controllers for Power over Ethernet

Analog Devices

High-Power, Quad, Monolithic, PSE Controllers for Power over Ethernet RSS Sample
  • Darmowa próbka
MPN:
MAX5965B
Producent:
ANALOG DEVICES
Dodany do bazy:
Ostatnio widziany:
Zmiana ceny:
-100% (19.01.2025)
Poprzednia cena:
10.96

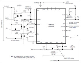
The MAX5965A/MAX5965B are quad, monolithic, -48V power controllers designed for use in IEEE® 802.3af-compliant/IEEE 802.3at-compatible power-sourcing equipment (PSE). These devices provide powered device (PD) discovery, classification, current limit, DC and AC load disconnect detections in compliance with the IEEE 802.3af standard. The MAX5965A/MAX5965B are pin compatible with the MAX5952/MAX5945/LTC4258/LTC4259A PSE controllers and provide additional features.

The MAX5965A/MAX5965B feature a high-power mode that provides up to 45W per port. The MAX5965A/ MAX5965B provide new Class 5 and 2-event classification (Class 6) for detection and classification of high-power PDs. The MAX5965A/MAX5965B provide instantaneous readout of each port current through the I²C interface. The MAX5965A/MAX5965B also provide high-capacitance detection for legacy PDs.

These devices feature an I²C-compatible, 3-wire serial interface, and are fully software configurable and programmable. The class-overcurrent detection function enables system power management to detect if a PD draws more than the allowable current. The MAX5965A/MAX5965B's extensive programmability enhances system flexibility, enables field diagnosis, and allows for uses in other applications.

The MAX5965A/MAX5965B provide four operating modes to suit different system requirements. Auto mode allows the devices to operate automatically without any software supervision. Semi-automatic mode automatically detects and classifies a device connected to a port after initial software activation, but does not power up that port until instructed to by software. Manual mode allows total software control of the device and is useful for system diagnostics. Shutdown mode terminates all activities and securely turns off power to the ports.

The MAX5965A/MAX5965B provide input undervoltage lockout (UVLO), input undervoltage detection, a load-stability safety check during detection, input overvoltage lockout, overtemperature detection, output voltage slew-rate limit during startup, power-good status, and fault status. The MAX5965A/MAX5965B's programmability includes startup timeout, overcurrent timeout, and load-disconnect detection timeout.

The MAX5965A/MAX5965B are available in a 36-pin SSOP package and are rated for both extended (-40°C to +85°C) and upper commercial (0°C to +85°C) temperature ranges.

Applications

* Midspan Power Injectors * Power-Sourcing Equipment (PSE) * Switches/Routers

* IEEE 802.3af Compliant/IEEE 802.3at Compatible

* Instantaneous Readout of Port Current Through I²C Interface

* High-Power Mode Enables Up to 45W Per Port

* High-Capacitance Detection for Legacy Devices

* Pin Compatible with MAX5952/MAX5945/LTC4258/LTC4259A

* Four Independent Power-Switch Controllers

* PD Detection and Classification (Including 2-Event Classification)

* Selectable Load-Stability Safety Check During Detection

* Supports Both DC and AC Load Removal Detections

* I²C-Compatible, 3-Wire Serial Interface

* Current Foldback and Duty-Cycle-Controlled Current Limit

* Open-Drain Active-Low INT Signal

* Direct Fast Shutdown Control Capability

* Special Class 5 Classification

Elecena nie prowadzi sprzedaży elementów elektronicznych, ani w niej nie pośredniczy.

Produkt pochodzi z oferty sklepu