elecena.pl

7-Channel Precision Temperature Monitor

Analog Devices

7-Channel Precision Temperature Monitor RSS Sample
  • Darmowa próbka
MPN:
MAX6697
Producent:
ANALOG DEVICES
Dodany do bazy:
Ostatnio widziany:
Zmiana ceny:
-100% (22.01.2025)
Poprzednia cena:
5.28

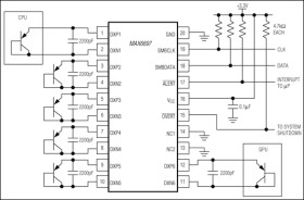
The MAX6697 precision multichannel temperature sensor monitors its own temperature and the temperatures of up to six external diode-connected transistors. All temperature channels have programmable alert thresholds. Channels 1, 4, 5, and 6 also have programmable overtemperature thresholds. When the measured temperature of a channel exceeds the respective threshold, a status bit is set in one of the status registers. Two open-drain outputs, active-low OVERT and active-low ALERT, assert corresponding to these bits in the status register.

The 2-wire serial interface supports the standard system management bus (SMBus™) protocols: write byte, read byte, send byte, and receive byte for reading the temperature data and programming the alarm thresholds.

The MAX6697 is specified for an operating temperature range of -40°C to +125°C and is available in 20-pin QSOP and 20-pin TSSOP packages.

Applications

* Desktop Computers * Notebook Computers * Servers * Workstations

* Six Thermal-Diode Inputs

* Local Temperature Sensor

* 1°C Remote Temperature Accuracy (+60°C to +100°C)

* Temperature Monitoring Begins at POR for Fail-Safe System Protection

* Active-Low ALERT and Active-Low OVERT Outputs for Interrupts, Throttling, and Shutdown

* Small 20-Pin QSOP and 20-Pin TSSOP Packages

* 2-Wire SMBus Interface

Elecena nie prowadzi sprzedaży elementów elektronicznych, ani w niej nie pośredniczy.

Produkt pochodzi z oferty sklepu