Low-Cost, 308MHz, 315MHz, and 433.92MHz FSK Transceiver with Fractional-N PLL
Analog Devices
RSS
Sample
- Darmowa próbka
- MPN:
- MAX7031
- Producent:
- ANALOG DEVICES
- Dodany do bazy:
- Ostatnio widziany:
Sugerowane produkty dla max7031
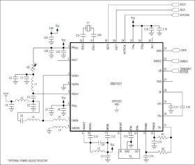
The MAX7031 crystal-based, fractional-N transceiver is designed to transmit and receive FSK data at factory-preset carrier frequencies of 308MHz, 315MHz, or 433.92MHz with data rates up to 33kbps (Manchester encoded) or 66kbps (NRZ encoded). This device generates a typical output power of +10dBm into a 50Ω load, and exhibits typical sensitivity of -110dBm. The MAX7031 features separate transmit and receive pins (PAOUT and LNAIN) and provides an internal RF switch that can be used to connect the transmit and receive pins to a common antenna.
The MAX7031 transmit frequency is generated by a 16-bit, fractional-N, phase-locked loop (PLL), while the receiver's local oscillator (LO) is generated by an integer-N PLL. This hybrid architecture eliminates the need for separate transmit and receive crystal reference oscillators because the fractional-N PLL is preset to be 10.7MHz above the receive LO. Retaining the fixed-N PLL for the receiver avoids the higher current-drain requirements of a fractional-N PLL and keeps the receiver current drain as low as possible.
The fractional-N architecture of the MAX7031 transmit PLL allows the transmit FSK signal to be preset for exact frequency deviations, and completely eliminates the problems associated with oscillator-pulling FSK signal generation. All frequency-generation components are integrated on-chip, and only a crystal, a 10.7MHz IF filter, and a few discrete components are required to implement a complete antenna/digital data solution.
The MAX7031 is available in a small, 5mm x 5mm, 32-pin, thin QFN package, and is specified to operate in the automotive -40°C to +125°C temperature range.
Applications
* 2-Way Remote Keyless Entry * Garage Door Openers * Home Automation * Local Telemetry Systems * Remote Controls * Remote Sensing * Security Systems * Smoke Alarms
* +2.1V to +3.6V or +4.5V to +5.5V Single-Supply Operation
* Single-Crystal Transceiver
* Factory-Preset Frequency (No Serial Interface Required)
* FSK Modulation
* Factory-Preset FSK Frequency Deviation
* +10dBm Output Power into 50Ω Load
* Integrated TX/RX Switch
* Integrated Transmit and Receive PLL, VCO, and Loop Filter
* > 45dB Image Rejection
* Typical RF Sensitivity*: -110dBm
* Selectable IF Bandwidth with External Filter
* RSSI Output with High Dynamic Range
* < 12.5mA Transmit-Mode Current
* < 6.7mA Receive-Mode Current
* < 800nA Shutdown Current
* Fast-On Startup Feature, < 250µs
* Small, 32-Pin, Thin QFN Package
Elecena nie prowadzi sprzedaży elementów elektronicznych, ani w niej nie pośredniczy.
Produkt pochodzi z oferty sklepu Analog Devices