Low-Cost, Crystal-Based, Programmable, ASK/FSK Transceiver with Fractional-N PLL
Analog Devices
RSS
Sample
- Darmowa próbka
- MPN:
- MAX7032
- Producent:
- ANALOG DEVICES
- Dodany do bazy:
- Ostatnio widziany:
Sugerowane produkty dla progmable
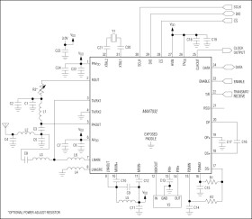
The MAX7032 crystal-based, fractional-N transceiver is designed to transmit and receive ASK/OOK or FSK data in the 300MHz to 450MHz frequency range with data rates up to 33kbps (Manchester encoded) or 66kbps (NRZ encoded). This device generates a typical output power of +10dBm into a 50Ω load, and exhibits typical sensitivities of -114dBm for ASK data and -110dBm for FSK data. The MAX7032 features separate transmit and receive pins (PAOUT and LNAIN) and provides an internal RF switch that can be used to connect the transmit and receive pins to a common antenna.
The MAX7032 transmit frequency is generated by a 16-bit, fractional-N, phase-locked loop (PLL), while the receiver's local oscillator (LO) is generated by an integer-N PLL. This hybrid architecture eliminates the need for separate transmit and receive crystal reference oscillators because the fractional-N PLL allows the transmit frequency to be set within 2kHz of the receive frequency. The 12-bit resolution of the fractional-N PLL allows frequency multiplication of the crystal frequency in steps of fXTAL/4096. Retaining the fixed-N PLL for the receiver avoids the higher current drain requirements of a fractional-N PLL and keeps the receiver current drain as low as possible.
The fractional-N architecture of the MAX7032 transmit PLL allows the transmit FSK signal to be programmed for exact frequency deviations, and completely eliminates the problems associated with oscillator-pulling FSK signal generation. All frequency-generation components are integrated on-chip, and only a crystal, a 10.7MHz IF filter, and a few discrete components are required to implement a complete antenna/digital data solution.
The MAX7032 is available in a small 5mm x 5mm, 32-pin, thin QFN package, and is specified to operate in the automotive -40°C to +125°C temperature range.
Applications
* 2-Way Remote Keyless Entry * Garage Door Openers * Home Automation * Local Telemetry Systems * Remote Controls * Remote Sensing * Security Systems * Smoke Alarms
* +2.1V to +3.6V or +4.5V to +5.5V Single-Supply Operation
* Single Crystal Transceiver
* User-Adjustable 300MHz to 450MHz Carrier Frequency
* ASK/OOK and FSK Modulation
* User-Adjustable FSK Frequency Deviation Through Fractional-N PLL Register
* Agile Transmitter Frequency Synthesizer with fXTAL/4096 Carrier-Frequency Spacing
* +10dBm Output Power into 50Ω Load
* Integrated TX/RX Switch
* Integrated Transmit and Receive PLL, VCO, and Loop Filter
* > 45dB Image Rejection
* Typical RF Sensitivity*
* ASK: -114dBm
* FSK: -110dBm
* Selectable IF Bandwidth with External Filter
* RSSI Output with High Dynamic Range
* Autopolling Low-Power Management
* < 12.5mA Transmit-Mode Current
* < 6.7mA Receive-Mode Current
* < 23.5µA Polling-Mode Current
* < 800nA Shutdown Current
* Fast-On Startup Feature, < 250µs
* Small 32-Pin, Thin QFN Package
Elecena nie prowadzi sprzedaży elementów elektronicznych, ani w niej nie pośredniczy.
Produkt pochodzi z oferty sklepu Analog Devices