elecena.pl

308MHz/315MHz/418MHz/433.92MHz Low-Power, FSK Superheterodyne Receiver

Analog Devices

308MHz/315MHz/418MHz/433.92MHz Low-Power, FSK Superheterodyne Receiver RSS Sample
  • Darmowa próbka
MPN:
MAX7042
Producent:
ANALOG DEVICES
Dodany do bazy:
Ostatnio widziany:

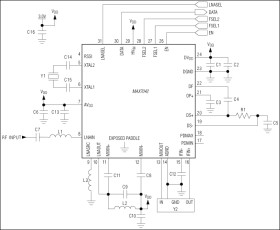
The MAX7042 fully integrated, low-power, CMOS superheterodyne RF receiver is designed to receive frequency-shift-keyed (FSK) data at rates up to 66kbps nonreturn-to-zero (NRZ) (33kbps Manchester). The MAX7042 requires only a few external components to realize a complete wireless RF receiver at 308, 315, 418, and 433.92MHz.

The MAX7042 includes all the active components required in a superheterodyne receiver including a low-noise amplifier (LNA), an image-rejection (IR) mixer, a fully integrated phase-locked loop (PLL), local oscillator (LO), 10.7MHz IF limiting amplifier with received-signal-strength indicator (RSSI), low-noise FM demodulator, and a 3V regulator. Differential peak-detecting data demodulators are included for baseband data recovery.

The MAX7042 is available in a 32-pin TQFN and is specified over the automotive -40°C to +125°C temperature range.

Applications

* Home and Office Lighting Control * Home Automation * Local Telemetry Systems * Remote Keyless Entry (RKE) * Remote Sensing * Security Systems * Smoke Alarms * Tire-Pressure Monitoring (TPM)

* +2.4V to +3.6V or +4.5V to +5.5V Single-Supply Operation

* Four User-Selectable Carrier Frequencies 308, 315, 418, and 433.92MHz

* -110dBm RF Input Sensitivity at 315MHz

* -109dBm RF Input Sensitivity at 433.92MHz

* Fast Startup (< 250µs)

* Small 32-Pin TQFN Package

* Low Operating Supply Current

* 6.2mA Continuous

* 20nA Power-Down

* Integrated PLL, VCO, and Loop Filter

* 45dB Integrated Image Rejection

* Selectable IF BW with External Filter

* Positive and Negative Peak Detectors

* RSSI Output

Elecena nie prowadzi sprzedaży elementów elektronicznych, ani w niej nie pośredniczy.

Produkt pochodzi z oferty sklepu