elecena.pl

2-Wire-Interfaced 16-Bit I/O Port Expander with Interrupt and Hot-Insertion Protection

Analog Devices

2-Wire-Interfaced 16-Bit I/O Port Expander with Interrupt and Hot-Insertion Protection RSS Sample
  • Darmowa próbka
MPN:
MAX7312
Producent:
ANALOG DEVICES
Dodany do bazy:
Ostatnio widziany:
Zmiana ceny:
-100% (18.01.2025)
Poprzednia cena:
3.09

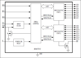
The MAX7312 2-wire-interfaced expander provides 16-bit parallel input/output (I/O) port expansion in SMBus™ and I²C applications. The MAX7312 consists of input port registers, output port registers, polarity inversion registers, configuration registers, a bus timeout register, and an I²C-compatible serial interface logic, compatible with SMBus. The system master can invert the MAX7312 input data by writing to the active-high polarity inversion register. The system master can enable or disable bus timeout by writing to the bus timeout register.

Any of the 16 I/O ports can be configured as an input or an output. A power-on reset (POR) initializes the 16 I/Os as inputs. Three address select pins configure the part to one of 64 slave ID addresses.

The MAX7312 supports hot insertion. All port pins, the active-low INT output, SDA, SCL, and the slave address inputs AD0-2 remain high impedance in power-down (Vt = 0V) up to 6V.

The MAX7312 is available in 24-pin SO, SSOP, TSSOP, and thin QFN packages and is specified over the -40°C to +125°C automotive temperature range.

For applications requiring I/Os with integrated 100kΩ pullup resistors, refer to the MAX7311 data sheet.

Applications

* Instrumentation and Test Measurement Networking * Medical Equipment * RAID Systems * Servers/Blades

* 400kbps I²C-Compatible Serial Interface

* 2V to 5.5V Operation

* 5V Overvoltage Tolerant I/Os

* Supports Hot Insertion

* 16 I/O Pins that Default to Inputs on Power-Up

* Open-Drain Interrupt Output (Active-Low INT)

* Bus Timeout for Lock-Up-Free Operation

* Noise Filter on SCL/SDA Inputs

* 64 User-Selectable Slave ID Addresses

* Low Standby Current (2.9µA typ)

* Polarity Inversion

* 4mm x 4mm, 0.8mm Thin QFN Package

* -40°C to +125°C Operation

Elecena nie prowadzi sprzedaży elementów elektronicznych, ani w niej nie pośredniczy.

Produkt pochodzi z oferty sklepu