elecena.pl

16-Port I/O Expander with LED Intensity Control, Interrupt, and Hot-Insertion Protection

Analog Devices

16-Port I/O Expander with LED Intensity Control, Interrupt, and Hot-Insertion Protection RSS Sample
  • Darmowa próbka
MPN:
MAX7313
Producent:
ANALOG DEVICES
Dodany do bazy:
Ostatnio widziany:
Zmiana ceny:
-100% (19.01.2025)
Poprzednia cena:
3.23

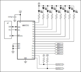
The MAX7313 I²C-compatible serial interfaced peripheral provides microprocessors with 16 I/O ports. Each I/O port can be individually configured as either an open-drain current-sinking output rated at 50mA and 5.5V, or a logic input with transition detection. A 17th port can be used for transition detection interrupt, or as a general-purpose output. The outputs are capable of driving LEDs, or providing logic outputs with external resistive pullup up to 5.5V.

PWM current drive is integrated with 8 bits of control. Four bits are global control and apply to all LED outputs to provide coarse adjustment of current from fully off to fully on with 14 intensity steps. Each output then has individual 4-bit control, which further divides the globally set current into 16 more steps. Alternatively, the current control can be configured as a single 8-bit control that sets all outputs at once.

Each output has independent blink timing with two blink phases. All LEDs can be individually set to be on or off during either blink phase, or to ignore the blink control. The blink period is controlled by a register.

The MAX7313 supports hot insertion. All port pins, the active-low INT output, SDA, SCL, and the slave-address inputs AD0-2 remain high impedance in power-down (V+ = 0V) with up to 6V asserted upon them.

The MAX7313 is controlled through the 2-wire I²C/SMBus serial interface, and can be configured to any one of 64 I²C addresses.

Applications

* Keypad Backlights * LCD Backlights * LED Status Indication * Notebook Computers * Portable Equipment * RGB LED Drivers

* 400kbps, 2-Wire Serial Interface, 5.5V Tolerant

* 2V to 3.6V Operation

* Overall 8-Bit PWM LED Intensity Control

* Global 16-Step Intensity Control

* Individual 16-Step Intensity Controls

* Two-Phase LED Blinking

* High Output Current (50mA max Per Port)

* Outputs are 5.5V-Rated Open Drain

* Supports Hot Insertion

* Inputs are Overvoltage Protected to 5.5V

* Transition Detection with Interrupt Output

* 1.2µA (typ), 3.6µA (max) Standby Current

* Small 4mm x 4mm TQFN Package

* -40°C to +125°C Temperature Range

* All Ports Can Be Configured as Inputs or Outputs

Elecena nie prowadzi sprzedaży elementów elektronicznych, ani w niej nie pośredniczy.

Produkt pochodzi z oferty sklepu