VCSEL Driver/Postamplifier with Digital Diagnostics
Analog Devices
RSS
Sample
- Darmowa próbka
- MPN:
- PHY1070
- Producent:
- ANALOG DEVICES
- Dodany do bazy:
- Ostatnio widziany:
Sugerowane produkty dla phy1070
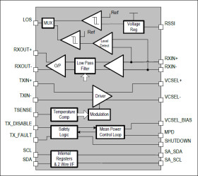
The PHY1070-01 is a combined VCSEL driver and limiting amplifier with support for digital diagnostic monitoring for use within small form factor modules for Fibre Channel applications. The transmitter integrates a high-speed output stage with programmable bias and modulation currents, controlled through a 2-wire serial interface. The mean power control loop allows connection in both common cathode and common anode configurations. A loss-of-signal (LOS) detector is included with detection based on either the receiver photo-detector average current or received-signal modulation amplitude. When used in digital diagnostics mode, the integrated A/D converters measuring temperature, Tx bias, supply voltage, Rx signal strength, and mean power are read through a 2-wire serial interface. An external microcontroller unit (MCU) is used for calibrating real-time diagnostic monitors and alarm generation.
Applications
* Fibre Channel 1x, 2x, 4x * SFF and SFP Modules
* Multirate from 1Gbps to 4.25Gbps
* VCSEL Driver Output Stage with 16mA max Modulation Drive and 20mA Bias Current
* Programmable Mean Power Control Loop
* Temperature-Compensated Modulation Current
* Integrated Limiting Amplifier with Selectable Swing CML Output to Reduce Radiated Emissions
* Programmable Receiver Lowpass Filter
* Integrated LOS Function
* Digital-Diagnostic Mode Compliant with SFF-8472 Using an External MCU
* Stand-Alone Mode Where Device Parameters are Loaded from an External EEPROM
* -40°C to +85°C Operating Temperature Range
* 6mm x 6mm, 36-Pin QFN Package
* Eye Safety Logic Certified by TUV
Elecena nie prowadzi sprzedaży elementów elektronicznych, ani w niej nie pośredniczy.
Produkt pochodzi z oferty sklepu Analog Devices