elecena.pl

Octal, 13-Bit Voltage-Output DAC with Parallel Interface

Analog Devices

Octal, 13-Bit Voltage-Output DAC with Parallel Interface RSS Sample
  • Darmowa próbka
MPN:
MX7839
Producent:
ANALOG DEVICES
Dodany do bazy:
Ostatnio widziany:

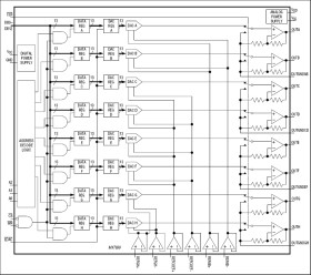
The MX7839 contains eight 13-bit, voltage-output digital-to-analog converters (DACs). On-chip precision output amplifiers provide the voltage outputs. The device operates from ±15V supplies. Its bipolar output voltage swing is ±10V and is achieved with no external components. The MX7839 has three pairs of differential reference inputs; two of these pairs are connected to two DACs each, and a third pair is connected to four DACs. The references are independently controlled, providing different full-scale output voltages to the respective DACs.

The MX7839 features double-buffered interface logic with a 13-bit parallel data bus. Each DAC has an input latch and a DAC latch. Data in the DAC latch sets the output voltage. The eight input latches are addressed with three address lines. Data is loaded to the input latch with a single write instruction. An asynchronous load input (active-low LDAC) transfers data from the input latch to the DAC latch. The active-low LDAC input controls all DACs; therefore, all DACs can be updated simultaneously by asserting active-low LDAC.

An asynchronous active-low CLR input sets the output of all eight DACs to the respective DUTGND input of the op amp. Note that active-low CLR is a CMOS input, which is powered by VDD. All other logic inputs are TTL/CMOS compatible.

The MX7839 is pin-for-pin compatible with AD7839.

Applications

* Arbitrary Function Generators * Automated Test Equipment (ATE) * Avionics Equipment * Digital Offset and Gain Adjustments * Industrial Process Controls * Minimum Component Count Analog Systems * SONET Applications

* Full 13-Bit Performance without Adjustments

* Eight DACs in a Single Package

* Buffered Voltage Outputs

* Unipolar or Bipolar Voltage Swing to ±10V

* 31µs Output Settling Time

* Small 44-Pin MQFP Package

* Double-Buffered Digital Inputs

* Asynchronous Load Updates All DACs Simultaneously

* Asynchronous active-low CLR Forces All DACs to DUTGND Potential

Elecena nie prowadzi sprzedaży elementów elektronicznych, ani w niej nie pośredniczy.

Produkt pochodzi z oferty sklepu