elecena.pl

CMOS, Quad, 8-Bit DAC with Voltage-Output Amplifier Latches

Analog Devices

CMOS, Quad, 8-Bit DAC with Voltage-Output Amplifier Latches RSS Sample
  • Darmowa próbka
MPN:
MX7226
Producent:
ANALOG DEVICES
Dodany do bazy:
Ostatnio widziany:
Zmiana ceny:
-100% (18.01.2025)
Poprzednia cena:
10.20

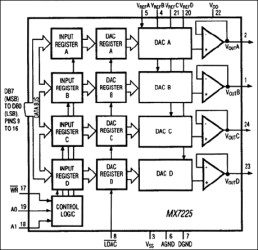
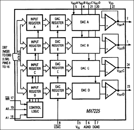
Maxim's MX7225 and MX7226 each contain four 8-bit voltage-output digital-to-analog converters (DACs). They include output buffer amplifiers and input logic for simple microprocessor and TTL/CMOS interfaces. 8-bit performance is achieved over the full operating temperature range without external trimming.

The MX7225 contains double-buffered logic inputs that allow all analog outputs to be simultaneously updated using one control signal. There are also four separate reference inputs so that the range of each DAC can be independently set. The MX7226 has separate inputs registers for each of its four DACS. Data is transferred into an input register from a common 8-bit TTL/CMOS-compatible input port. Address inputs A0 and A1 determines which DAC is loaded when WR goes low. All DACs share a common reference input. For -7225 and -7226 designs utilizing a 5V supply, see the MAX505 and MAX506 data sheet.

Applications

* Arbitrary Function Generators * Automatic Test Equipment * Digital Offset/Gain Adjustment * Industrial Process Control * Microprocessor-Controlled Calibration * Minimum Component Count Analog Systems

* Buffered Voltage Output

* Double-Buffered Inputs (MX7225)

* Microprocessor and TTL/CMOS Compatible

* Operate from Single or Dual Supplies

* Require No External Adjustments

Elecena nie prowadzi sprzedaży elementów elektronicznych, ani w niej nie pośredniczy.

Produkt pochodzi z oferty sklepu