elecena.pl

SiGe High-Linearity, 815MHz to 1000MHz Downconversion Mixer with LO Buffer/Switch

Analog Devices

SiGe High-Linearity, 815MHz to 1000MHz Downconversion Mixer with LO Buffer/Switch RSS Sample
  • Darmowa próbka
MPN:
MAX9986A
Producent:
ANALOG DEVICES
Dodany do bazy:
Ostatnio widziany:
Zmiana ceny:
-100% (20.01.2025)
Poprzednia cena:
10.41

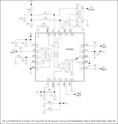
The MAX9986A high-linearity downconversion mixer provides 8.2dB gain, +25dBm IIP3, and 10dB NF for 815MHz to 1000MHz base-station receiver applications. With a 960MHz to 1180MHz LO frequency range, this particular mixer is ideal for high-side LO injection receiver architectures. Low-side LO injection is supported by the MAX9984, which is pin-for-pin and functionally compatible with the MAX9986A.

In addition to offering excellent linearity and noise performance, the MAX9986A also yields a high level of component integration. This device includes a double-balanced passive mixer core, an IF amplifier, a dual-input LO selectable switch, and an LO buffer. On-chip baluns are also integrated to allow for single-ended RF and LO inputs. The MAX9986A requires a nominal LO drive of 0dBm, and supply current is guaranteed to be below 250mA.

The MAX9986A is a derivative version of the MAX9986 with improved large-signal blocking performance. The MAX9984/MAX9986/MAX9986A are pin compatible with the MAX9994/MAX9996 1700MHz to 3000MHz mixers, making this entire family of downconverters ideal for applications where a common PC board layout is used for both frequency bands. The MAX9986A is also functionally compatible with the MAX9993.

The MAX9986A is available in a compact, 20-pin, thin QFN package (5mm x 5mm) with an exposed paddle. Electrical performance is guaranteed over the extended -40°C to +85°C temperature range.

Applications

* 850MHz WCDMA Base Stations * cdmaOne™ and cdma2000® Base Stations * Digital and Spread-Spectrum Communication Systems * Fixed Broadband Wireless Access * GSM 850/GSM 900 2G and 2.5G EDGE Base Stations * iDEN® Base Stations * Microwave Links * Military Systems * Predistortion Receivers * Private Mobile Radios * Wireless Local Loops

Elecena nie prowadzi sprzedaży elementów elektronicznych, ani w niej nie pośredniczy.

Produkt pochodzi z oferty sklepu