elecena.pl

Dual Driver/Comparator/Load with Internal DACs

Analog Devices

Dual Driver/Comparator/Load with Internal DACs RSS Sample
  • Darmowa próbka
MPN:
MAX9974
Producent:
ANALOG DEVICES
Dodany do bazy:
Ostatnio widziany:

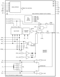
The MAX9973/MAX9974 fully integrated, high-performance, dual-channel pin electronics driver/comparator/load (DCL) with built-in level-setting digital-to-analog converters (DACs) are ideally suited for memory and SOC automatic test equipment (ATE) applications. Each channel includes a three-level pin driver, a window comparator, dynamic clamps, a 1kΩ load, and seven independent level-setting DACs.

The driver features a wide voltage range and high-speed operation, includes high-impedance and active-termination (3rd-level drive) modes, and is highly linear even at low voltage swings. Additionally, the driver provides high-speed differential multiplexer control inputs, with internal termination resistors that are compatible with ECL, LVPECL, LVDS, and GTL. The window comparators provide extremely low timing variation over changes in slew rate, pulse width, or overdrive voltage, and have open-collector outputs. When high-impedance mode is selected, the dynamic clamps provide damping of high-speed device-under-test (DUT) waveforms. The load facilitates fast contact testing when used in conjunction with the comparators, and functions as a pullup for open-drain/collector DUT outputs. The MAX9973/MAX9974 are configured through a serial interface.

The MAX9973/MAX9974 differ in two aspects: the position of the exposed heat slug and the pin arrangement. The MAX9973G/MAX9974G comparator outputs sink 8mA (typ), while the MAX9973H/MAX9974H comparator outputs sink 16mA (typ). The devices are available in a 64-pin (10mm x 10mm x 1.00mm) TQFP-EP package with an exposed paddle on top (MAX9973) or bottom (MAX9974) for heat removal. Power dissipation is only 700mW per channel. The full operating voltage range is -1.5V to +6.5V. Operation is specified at an internal die temperature of +40°C to +100°C, and features a temperature monitor output.

Applications

* Memory Testers * SOC Testers

* 600Mbps at 3V High Speed

* 700mW per Channel Extremely Low Power Dissipation

* -1.5V to +6.5V Wide Voltage Range

* 200mV to 8V Wide Voltage Swing Range

* 10nA (max) Low-Leakage Mode

* Integrated Termination On-the-Fly (3rd-Level Drive)

* Integrated Voltage Clamps

* Passive Load or Pullup

* Very Low Timing Dispersion

* Minimal External Component Count

* SPI™-Compatible Serial Control Interface

Elecena nie prowadzi sprzedaży elementów elektronicznych, ani w niej nie pośredniczy.

Produkt pochodzi z oferty sklepu