elecena.pl

Quad Differential LVECL-to-LVPECL Translators

Analog Devices

Quad Differential LVECL-to-LVPECL Translators RSS Sample
  • Darmowa próbka
MPN:
MAX9421
Producent:
ANALOG DEVICES
Dodany do bazy:
Ostatnio widziany:

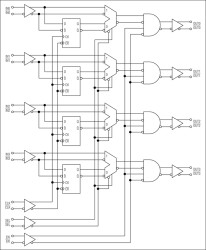
The MAX9420-MAX9423 are extremely fast, low-skew quad LVECL-to-LVPECL translators designed for high-speed signal and clock driver applications. The devices feature ultra-low propagation delay of 336ps and channel-to-channel skew of 17ps.

The four channels can be operated synchronously with an external clock, or in asynchronous mode, determined by the state of the SEL input. An enable input provides the ability to force all the outputs to a differential low state.

These devices operate with a negative supply voltage of -2.0V to -3.6V, compatible with LVECL input signals. The positive supply range is 2.375V to 3.6V for differential LVPECL output signals.

A variety of input and output terminations are offered for maximum design flexibility. The MAX9420 has open inputs and open-emitter outputs. The MAX9421 has open inputs and 50Ω series outputs. The MAX9422 has 100Ω differential input impedance and open-emitter outputs. The MAX9423 has 100Ω differential input impedance and 50Ω series outputs.

The MAX9420-MAX9423 are specified for operation from -40°C to +85°C, and are offered in space-saving 32-pin 5mm x 5mm TQFP and 32-lead 5mm x 5mm QFN packages.

Applications

* Automated Test Equipment (ATE) * Central Office Backplane Clock Distribution * Data and Clock Driver and Buffer * DSLAM Backplane * Wireless Base Stations

Elecena nie prowadzi sprzedaży elementów elektronicznych, ani w niej nie pośredniczy.

Produkt pochodzi z oferty sklepu