elecena.pl

Quad ECL/PECL Differential Buffers/Receivers

Analog Devices

Quad ECL/PECL Differential Buffers/Receivers RSS Sample
  • Darmowa próbka
MPN:
MAX9401
Producent:
ANALOG DEVICES
Dodany do bazy:
Ostatnio widziany:

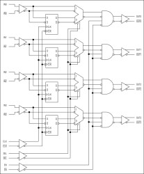
The MAX9401/MAX9404 are extremely fast and low-skew quad ECL/PECL differential buffers/receivers for data and clock signals. The four channels can be operated synchronously with an external clock, or in asynchronous mode, determined by the state of the SEL input. An enable input provides the ability to force all the outputs to a differential low state.

The MAX9401 has high-impedance (open) input and the MAX9404 has an integrated 100Ω differential input termination, which reduces external component count. Both devices have double amplitude swing open emitter outputs suitable for driving long cables. The MAX9401/MAX9404 operate over a VCC - VEE = +3.0V to +5.5V supply range, and are specified for operation from -40°C to +85°C. These devices are offered in space-saving 32-pin 5mm x 5mm QFN exposed-paddle (EP) and TQFP packages.

Applications

* Automated Test Equipment (ATE) * Central Office Backplane Clock Distribution * Data and Clock Driver and Buffer * DSLAM Backplane * Wireless Base Stations

Elecena nie prowadzi sprzedaży elementów elektronicznych, ani w niej nie pośredniczy.

Produkt pochodzi z oferty sklepu