Differential 5:1 or 4:1 ECL/PECL Multiplexers with Single/Dual Output Buffers
Analog Devices
RSS
Sample
- Darmowa próbka
- MPN:
- MAX9386
- Producent:
- ANALOG DEVICES
- Dodany do bazy:
- Ostatnio widziany:
Sugerowane produkty dla max9387
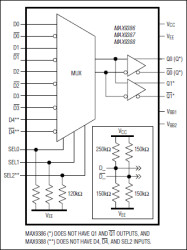
The MAX9386/MAX9387/MAX9388 are fully differential, high-speed, low-jitter ECL/PECL multiplexers (muxes) with output buffer(s). The devices are designed for clock-and-data distribution applications, and feature extremely low propagation delays (318ps, typ) and output-to-output skews (3.9ps, typ). The MAX9386 is a 5:1 mux with a single output buffer. The MAX9387 is a 5:1 mux with dual output buffers, and is intended for use in redundant systems. The MAX9388 is a 4:1 mux with a single output buffer, and is pin compatible with the MC100EP57.
Three single-ended select inputs, SEL0, SEL1, and SEL2, control the mux function on the MAX9386/MAX9387. The MAX9388 has two select inputs, SEL0 and SEL1. The mux select inputs are compatible with ECL/PECL logic, and are internally referenced to the on-chip output VBB, nominally VCC - 1.425V. The select inputs accept signals between VCC and VEE. Internal pulldowns to VEE ensure a low-default condition if the select inputs are left open.
The differential inputs D, D -bar can be configured to accept a single-ended signal when the unused complementary input is connected to the on-chip reference output VBB. All the differential inputs have internal bias and clamping circuits that ensure low-default output states when the inputs are left open. The MAX9386/MAX9387/MAX9388 operate with a wide supply range |VCC - VEE| of 2.375V to 5.5V. The MAX9386/MAX9388 are offered in 20-pin TSSOP and QSOP packages. The MAX9387 is offered in 24-pin TSSOP and QSOP packages.
Applications
* Central Office Backplane Clock Distribution * DSLAM/DLC * High-Speed Telecom and Datacom Applications
* 318ps (typ) Propagation Delay
* >2.7GHz Toggle Frequency
* 0.3ps(RMS) Random Jitter
* <14ps (max) at +25°C Output-to-Output Skew (MAX9387)
* -2.375V to -5.5V Supplies for Differential LVECL/ECL
* +2.375V to +5.5V Supplies for Differential LVPECL/PECL
* Outputs Low for Open Inputs
* Dual Output Buffers (MAX9387)
* Pin Compatible with MC100EP57 (MAX9388EUP)
* >2kV ESD Protection (Human Body Model)
Elecena nie prowadzi sprzedaży elementów elektronicznych, ani w niej nie pośredniczy.
Produkt pochodzi z oferty sklepu Analog Devices