elecena.pl

1:9 Differential LVPECL/LVECL/HSTL Clock and Data Driver

Analog Devices

1:9 Differential LVPECL/LVECL/HSTL Clock and Data Driver RSS Sample
  • Darmowa próbka
MPN:
MAX9326
Producent:
ANALOG DEVICES
Dodany do bazy:
Ostatnio widziany:

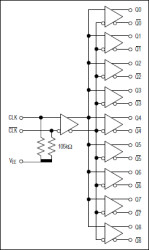
The MAX9326 low-skew, 1:9 differential driver features extremely low output-to-output skew (50ps max) and part-to-part skew (225ps max). These features make the device ideal for clock and data distribution across a backplane or board. The device repeats an HSTL or LVECL/LVPECL differential input at nine differential outputs. Outputs are compatible with LVECL and LVPECL, and directly drive 50Ω terminated transmission lines.

The differential inputs can be configured to accept a single-ended signal when the unused complementary input is connected to the on-chip reference output voltage VBB. All inputs have internal pulldown resistors to VEE. The internal pulldowns and a fail-safe circuit ensure differential low default outputs when the inputs are left open or at VEE.

The MAX9326 operates over a +2.375V to +3.8V supply range for interfacing to differential HSTL and LVPECL signals. This allows high-performance clock or data distribution in systems with a nominal +2.5V or +3.3V supply. For LVECL operation, the device operates with a -2.375V to -3.8V supply.

The MAX9326 is offered in 28-lead PLCC and space-saving 28-lead QFN packages. The MAX9326 is specified for operation from -40°C to +85°C.

Applications

* Low-Jitter Data Repeater * Precision Clock Distribution

Elecena nie prowadzi sprzedaży elementów elektronicznych, ani w niej nie pośredniczy.

Produkt pochodzi z oferty sklepu