elecena.pl

High-Efficiency Power-Management IC with I²C Control for 2-Cell Li+ Battery Operated Devices

Analog Devices

High-Efficiency Power-Management IC with I²C Control for 2-Cell Li+ Battery Operated Devices RSS Sample
  • Darmowa próbka
MPN:
MAX8904
Producent:
ANALOG DEVICES
Dodany do bazy:
Ostatnio widziany:

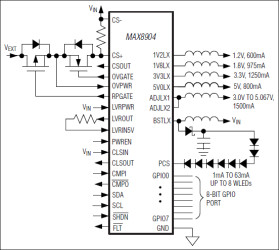
The MAX8904 power-management IC provides a complete power-supply solution for 2-cell Li+ handheld/Li-Poly applications such as point-of-sale terminals, digital SLR cameras, digital video cameras and ultra-mobile PCs.

The MAX8904 includes five step-down converters (1V2, 1V8, 3V3, 5V0, and ADJ) with internal MOSFETs and +1%/-3% accurate output voltages for processor core, memory, I/O, and other system power rail requirements. LCD backlighting is supported by a WLED boost converter that can provide 35mA for up to 8 WLEDs. This boost converter is also configurable as a 6-bit programmable voltage source that can provide up to 63mA of output current. A 500mA, internal MOSFET, current-limited switch (CLS), allows system designers to control input power to external peripheral devices.

The MAX8904 controls an external n-MOSFET for input overvoltage protection (13.5V, typ) and an external p-MOSFET for reverse polarity protection (up to -28V) of downstream circuits. System input current monitoring for power management is facilitated by an on-board current-sense amplifier (CSA) with differential inputs and a 1.2V full scale, ground-referenced analog output.

A 400kHz, I²C interface supports output voltage setting of the ADJ power rail and boost regulator (voltage source mode), WLED current setting for the boost regulator (WLED current regulator mode), GPIO control, and enable/disable of ADJ, 5V0, boost regulator, CSA blocks. The I²C interface also enables the host processor to read on-board fault status registers when interrupted by the MAX8904 active-low FLT pin under system fault conditions.

An emergency shutdown input, active-low SHDN allows converters preselected through I²C to turn off immediately under power-fail conditions, thus saving valuable firmware execution time. An uncommitted, active-low, 14V open-drain comparator (CMP) with a 1.25V internal reference is also provided in the MAX8904. The MAX8904 PWREN logic input turns on the 1V2, 1V8, 3V3, and 5V0 default power rails.

The MAX8904 is available in a 56-pin, 7mm x 7mm TQFN package.

Applications

* Digital SLR Cameras * Digital Video Cameras * Point-of-Sale Terminals * Ultra-Mobile PCs

* 3.4V to 13.2V Input Voltage Range

* 1MHz, Up to 90% Efficient, Synchronous DC-DC Step-Down Converters

* Power Converters 1V2, 1V8, and ADJ Operated Out-of-Phase with Respect to 3V3 and 5V0

* 667kHz Step-Up Converter Provides Up to 32V Output for Driving Up to Eight WLEDs

* Internal Compensation on All Power Converters

* Fast Line and Load Transient Responses

* Internal Soft-Start and Short-Circuit Protection on All Power Converter Outputs

* Input Overvoltage and Reverse Polarity Protection

* 250ms Fault Timer-Based Protection for Overload, Short Circuit

* I²C Serial Interface for On/Off Control, Output Voltage, WLED Current, GPIO Setting, Fault Monitoring

* < 15µA Standby Current Over Operating Voltage Range and Temperature

* Compact, 56-Pin, 7mm x 7mm TQFN Package

Elecena nie prowadzi sprzedaży elementów elektronicznych, ani w niej nie pośredniczy.

Produkt pochodzi z oferty sklepu