28V Linear Li+ Battery Chargers with Battery Detection and Overvoltage-Protected Output
Analog Devices
RSS
Sample
- Darmowa próbka
- MPN:
- MAX8845Y
- Producent:
- ANALOG DEVICES
- Dodany do bazy:
- Ostatnio widziany:
Sugerowane produkty dla max8845x
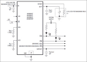
The MAX8845Z/MAX8845Y/MAX8845X/MAX8845W are intelligent, stand-alone constant-current, constant-voltage (CCCV), thermally regulated linear chargers designed for charging a single-cell lithium-ion (Li+) battery. The MAX8845Z/MAX8845Y/MAX8845X/MAX8845W integrate a current-sense circuit, MOSFET pass element, thermal-regulation circuitry, and eliminate the external reverse-blocking Schottky diode to create the simplest and smallest charging solutions for handheld equipment.
The ICs control the charging sequence from the pre-qualification state through constant current fast-charge, top-off charge, and full-charge indication. Proprietary thermal-regulation circuitry limits the die temperature during fast-charging or when the ICs are exposed to high ambient temperatures, allowing maximum charging current without damaging the ICs.
The MAX8845Z/MAX8845Y/MAX8845X/MAX8845W achieve high flexibility by providing adjustable fast-charge currents (SETI) and an adjustable top-off current threshold (MIN) through external resistors. The MAX8845Z/MAX8845Y/MAX8845X/MAX8845W feature a booting assistant circuit that distinguishes input sources and battery connection and provides an enable signal (ABO—MAX8845Z and active-low ABO—MAX8845Y/MAX8845X/MAX8845W) for system booting.
The MAX8845Z/MAX8845Y/MAX8845X/MAX8845W also integrate an overvoltage-protected output (SAFEOUT) for low voltage-rated USB or charger inputs in system, and a battery-pack detection circuit (DETBAT) that disables the charger when the battery pack is absent. Other features include an active-low control input (active-low EN), an active-low input power source detection output (active-low POK), and a fully charged top-off threshold detection output (active-low CHG).
The MAX8845Z/MAX8845Y/MAX8845X/MAX8845W accept an input supply range from 4.25V (4.4V for MAX8845W only) to 28V, but disable charging if the supply voltage exceeds +7.5V (+8.0V for MAX8845X only) to protect against unqualified or faulty AC adapters. The ICs operate over the extended temperature range (-40°C to +85°C) and are available in a compact 12-pin, thermally enhanced thin QFN, 3mm x 3mm package (0.8mm max height).
Applications
* Bluetooth® Equipment * Cellular and Cordless Phones * Charging Cradles and Docks * Digital Still Cameras * MP3 Players * Smart Phones and PDAs * USB Appliances
* CCCV, Thermally Regulated Linear 1-Cell Li+ Battery Charger
* No External MOSFET, Reverse Blocking Diode, or Current-Sense Resistor
* Programmable Fast-Charge Currents (1ARMS max)
* Programmable Top-Off Current Threshold (MIN)
* Input Overvoltage Protected 4.7V Output (MAX8845Z/MAX8845Y/MAX8845W) or 4.85V (MAX8845X) (SAFEOUT)
* Proprietary Die Temperature Regulation Control (+115°C)
* 4.25V (4.4V for MAX8845W only) to 28V Input Voltage Range with Input Overvoltage Protection Above +7.5V (+8.0V for MAX8845X only)
* Low-Dropout Voltage (300mV at 500mA)
* Input Power-Source Detection Output (Active-Low POK), Charge Status Output (Active-Low CHG), Charge-Enable Input (Active-Low EN)
* Output for Autobooting (ABO—MAX8845Z, Active-Low ABO—MAX8845Y/MAX8845X/MAX8845W)
* Tiny, 3mm x 3mm 12-Pin Thin QFN Package, 0.8mm Height (max)
Elecena nie prowadzi sprzedaży elementów elektronicznych, ani w niej nie pośredniczy.
Produkt pochodzi z oferty sklepu Analog Devices