elecena.pl

1- to 8-Phase, Master-Slave CPU Core Regulator with Integrated Power MOSFETs

Analog Devices

1- to 8-Phase, Master-Slave CPU Core Regulator with Integrated Power MOSFETs RSS Sample
  • Darmowa próbka
MPN:
MAX8658
Producent:
ANALOG DEVICES
Dodany do bazy:
Ostatnio widziany:

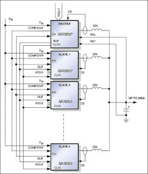
The MAX8657/MAX8658/MAX8659 form a chipset for supporting the latest CPU power specifications, Intel® VRD10/VRD11, and AMD® K8/K8 Rev F, as well as a reference input for all other power-supply needs. The MAX8657/MAX8658 are master controllers with all the necessary control and housekeeping circuitry in addition to having integrated power MOSFETs for up to 25A/phase output. The MAX8659 is the slave with integrated MOSFETs for up to 25A/phase output, and has local control functions such as current loop, overtemperature protection, undervoltage lockout (UVLO), and OVP. The number of phases in operation is established by control pins on the slave, which are hardwired as high, low, or unconnected.

The MAX8659 slave contains a PWM comparator, driver, integrated MOSFETs, and bootstrap diodes to support up to 25A of output current. The IC accepts control/clock signals from the MAX8657/MAX8658 master to regulate the output inductor current. Address bits on the MAX8659 enable the slaves to decode the clock signal appropriately to implement 2/3/4/5/6/7/8-phase operation.

The MAX8657/MAX8658 incorporate a proprietary “rapid active average” current-mode control scheme for precise load sharing between phases as well as accurate droop-setting independent of inductor tolerances. Either parasitic inductor DCR or resistive current sensing is implemented.

The MAX8657/MAX8658 are available in a 56-pin 8mm x 8mm thin QFN package. The MAX8659 is available in a 40-pin 6mm x 6mm thin QFN package.

Learn More About PowerMind™

Applications

* Graphic Cards * Power-Supply Modules * Servers * Telecom/Datacom Power Supplies * Workstations

Elecena nie prowadzi sprzedaży elementów elektronicznych, ani w niej nie pośredniczy.

Produkt pochodzi z oferty sklepu