High-Efficiency, 26V Step-Up Converters for Main and Subdisplays Using OLEDs and/or White LEDs
Analog Devices
RSS
Sample
- Darmowa próbka
- MPN:
- MAX8608Y
- Producent:
- ANALOG DEVICES
- Dodany do bazy:
- Ostatnio widziany:
Sugerowane produkty dla max8608y
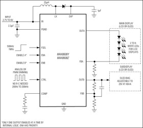
The MAX8608Y/MAX8608Z dual LED drivers use a single inductor to provide two outputs for either organic LED (OLED) power or white LED (WLED) drive in dual-display cell phones. Each output can be configured for either voltage regulation (adjustable up to 26V) for OLED or current regulation (adjustable up to 40mA) for WLED.
The topology integrates a single 1MHz/500kHz PWM step-up converter and two output load switches to minimize size and external components and maximize efficiency. Each output (OUTA, OUTB) is enabled by individual logic inputs for simplicity; however, if ENA is high, ENB is overridden and OUTB becomes disabled. A single CTRL input accepts either an analog or direct- PWM dimming signal for proportional control of the output voltage or current. Internal lowpass filtering eliminates the need for any external filters at CTRL while maintaining low input and output ripple under all conditions.
The MAX8608Y features a TA derating function to avoid overdriving the LEDs during high ambient temperatures, enabling higher drive current below +40°C. Other features shared by both devices include soft-start, output overvoltage protection, output overcurrent/short-circuit protection, output True Shutdown, and thermal shutdown.
The MAX8608Y/MAX8608Z are available in a space-saving, 14-pin, 3mm x 3mm TDFN lead-free package.
Applications
* Cell Phones/Smartphones * OLED Power and/or White LED Backlights * PDAs, Palmtops, and Wireless Handhelds
Elecena nie prowadzi sprzedaży elementów elektronicznych, ani w niej nie pośredniczy.
Produkt pochodzi z oferty sklepu Analog Devices