elecena.pl

36V, 3.8A Stepper Motor Driver with Integrated Current Sense and 128 Microstep Indexer

Analog Devices

36V, 3.8A Stepper Motor Driver with Integrated Current Sense and 128 Microstep Indexer RSS Sample
  • Darmowa próbka
MPN:
MAX22210
Producent:
ANALOG DEVICES
Dodany do bazy:
Ostatnio widziany:
Zmiana ceny:
-100% (18.01.2025)
Poprzednia cena:
1.51

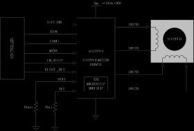
* The MAX22210 is a 2-phase stepper motor driver. It inte- grates two 36V, 3.8AMAX H-bridges.

The H-bridge FETs have very low impedance that result in high driving efficiency and minimal heat generated. The typical total RON (high side + low side) is 0.25Ω.

The MAX22210 integrates an accurate current drive reg- ulation circuit and a 128-microstep built-in indexer controlled by a STEP/DIR interface. The high microstepping resolution and advanced control technique ensure smooth and quiet operation.

The current flowing into the two low-side FETs is sensed by a nondissipative integrated current sensing (ICS) and it is then compared with the desired step threshold current. As soon as the bridge current exceeds the setpoint (ITRIP), the device enforces decay for a fixed OFF time (TOFF). Three decay modes are supported: slow, mixed, and adaptive.

The nondissipative integrated current sensing eliminates the bulky external power resistors that are normally re- quired for this function resulting in a dramatic space and power saving compared with mainstream applications based on external sense resistors.

The internally sensed phase currents are mirrored on two pins (ISENA, ISENB) to allow the external controller to keep monitoring the currents and can use this information for diagnostic purposes.

The maximum output current per H-bridge is IMAX = 3.8AMAX, which is limited by the overcurrent protection (OCP).

The maximum RMS current per H-bridge is IRMS = 2ARMS at room temperature, assuming a 4-layer PCB. Since this current is limited by thermal considerations, the actual maximum RMS current depends on the thermal charac- teristic of the application such as PCB ground planes, heatsinks, ventilation, etc.

The maximum full-scale current per H-bridge is IFS = 3A that can be set by an external resistor connected to IREF. This current is defined as the maximum current setting of the embedded current drive regulation circuit.

In applications where the maximum full-scale current is less than 1.5A and high-current control accuracy is desired, the half full scale (HFS) logic input pin can be set high to halve the current ratings and double the low-side FET RON. This results in better current control accuracy especially for values close to the lower boundary of the current range.

The MAX22210 features overcurrent protection, thermal shutdown (TSD), undervoltage lockout (UVLO). An open- drain, active-low FAULT pin is activated every time a fault condition is detected.

During thermal shutdown and UVLO events, the driver is disabled until normal operations are restored.

The MAX22210 is available in small, 5mm x 5mm TQFN32 and 4.4mm x 9.7mm TSSOP28 packages.

* Two H-Bridges with 36V Rating

* Total RDS(ON) (HS + LS): 250mΩ at TA = +25°C (typ)

Elecena nie prowadzi sprzedaży elementów elektronicznych, ani w niej nie pośredniczy.

Produkt pochodzi z oferty sklepu