elecena.pl

Micropower 1A Boost Converter with Schottky and Output Disconnect

Analog Devices

Micropower 1A Boost Converter with Schottky and Output Disconnect RSS Sample
  • Darmowa próbka
MPN:
LT3473
Producent:
ANALOG DEVICES
Dodany do bazy:
Ostatnio widziany:
Zmiana ceny:
-100% (20.01.2025)
Poprzednia cena:
2.79

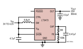
The LT3473/LT3473A are micropower step-up DC/DC converters with integrated Schottky diode and output disconnect circuitry in low profile DFN packages. The small package size, high level of integration and the use of tiny SMT components yield a solution size of less than 50mm2. The internal 1A switch allows the device to deliver 25V at up to 80mA from a Li-Ion cell, while automatic Burst Mode operation maintains efficiency at light load. An auxiliary reference input (CTRL) allows the user to override the internal 1.25V feedback reference with any lower value, allowing full control of the output voltage during operation. A PGOOD pin sinks current when the output voltage reaches 90% of final value.

The LT3473A includes two NPN transistors for generating intermediate bias voltages from the output and is offered in a 12-lead (4mm × 3mm) DFN package. The LT3473 does not include these NPNs and is offered in an 8-lead (3mm × 3mm) package.

The rugged 36V switch and output disconnect circuitry allow outputs up to 34V to be easily generated in a simple boost topology.

Applications

* OLED Bias

* CCD Bias

* Tiny Solution Size

* Low Quiescent Current:

* 150µA in Active Mode (VIN = 3.6V, VOUT = 15V, No Load)

* 1µA in Shutdown Mode

* Internal 1A, 36V Switch

* Integrated Schottky Diode

* Integrated PNP Output Disconnect

* Internal Reference Override Pin

* PGOOD Pin

* 25V at 80mA from 3.6V Input

* Auxiliary NPNs for Intermediate Bias Voltages (LT3473A)

* Automatic Burst Mode® Operation at Light Load

* Constant Switching Frequency: 1.2MHz

* Thermal Shutdown

* Input Range: 2.2V to 16V

* Low Profile (3mm × 3mm) DFN Package (LT3473)

* Low Profile (4mm × 3mm) DFN Package (LT3473A)

Elecena nie prowadzi sprzedaży elementów elektronicznych, ani w niej nie pośredniczy.

Produkt pochodzi z oferty sklepu