elecena.pl

Ultralow Power, Dual 10-Bit DAC in MSOP

Analog Devices

Ultralow Power, Dual 10-Bit DAC in MSOP RSS Sample
  • Darmowa próbka
MPN:
LTC1662
Producent:
ANALOG DEVICES
Dodany do bazy:
Ostatnio widziany:
Zmiana ceny:
-100% (20.01.2025)
Poprzednia cena:
3.34

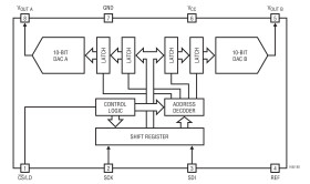
The LTC1662 is an ultralow power, fully buffered voltage output, dual 10-bit digital-to-analog converter (DAC). Each DAC channel draws just 1.7µA (typ) total supply-plus-reference operating current, yet is capable of supplying DC output currents in excess of 1mA and reliably driving capacitive loads of up to 1000pF. A programmable Sleep mode further reduces total operating current to 0.05µA.

Linear Technology’s proprietary, inherently monotonic architecture provides excellent linearity and an exceptionally small external form factor. The double-buffered input logic provides simultaneous update capability and can be used to write to the DACs without interrupting Sleep mode.

With its tiny operating current and exceptionally small size, the LTC1662 is ideal for use in the most power-constrained products. For most designs, there is no perceptible impact on the power budget; the LTC1662 draws many times less current than even a trimpot, while providing buffered, low impedance (0.5Ω typical, VCC = 5V) rail-to-rail outputs.

The LTC1662 is pin and software compatible with the LTC1661 dual, 60µA 10-bit DAC. It is available in 8-pin MSOP and PDIP packages and is specified over the industrial temperature range.

Applications

* Mobile Communications

* Portable Battery-Powered Instruments

* Remote or Inaccessible Adjustments

* Digitally Controlled Amplifiers and Attenuators

* Factory or Field Calibration

* Ultralow Power: 1.5µA (Typ) ICC per DAC Plus 0.05µA Sleep Mode for Extended Battery Life

* Tiny: Two 10-Bit DACs in an 8-Lead MSOP—Half the Size of an SO-8

* Wide 2.7V to 5.5V Supply Range

* Double Buffered for Simultaneous DAC Updates

* Rail-to-Rail Voltage Outputs Drive 1000pF

* Reference Range Includes Supply for Ratiometric 0V to VCC Output

* Reference Input Impedance Is Code-Independent (7.1MΩ Typ)—Eliminates External Buffers

* 3-Wire Serial Interface with Schmitt Trigger Inputs

* Differential Nonlinearity: ±0.75LSB Max

Elecena nie prowadzi sprzedaży elementów elektronicznych, ani w niej nie pośredniczy.

Produkt pochodzi z oferty sklepu