elecena.pl

Synchronous Phase Modulated Full-Bridge Controller

Analog Devices

Synchronous Phase Modulated Full-Bridge Controller RSS Sample
  • Darmowa próbka
MPN:
LTC1922-1
Producent:
ANALOG DEVICES
Dodany do bazy:
Ostatnio widziany:
Zmiana ceny:
-100% (22.01.2025)
Poprzednia cena:
6.89

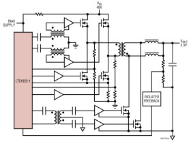
The LTC1922-1 phase shift PWM controller provides all of the control and protection functions necessary to implement a high performance, zero voltage switched, phase shift, full-bridge power converter with synchronous rectification. The part is ideal for developing isolated, low voltage, high current outputs from a high voltage input source. The LTC1922-1 combines the benefits of the full-bridge topology with fixed frequency, zero voltage switching operation (ZVS). Adaptive ZVS circuity controls the turn-on signals for each MOSFET independent of internal and external component tolerances for optimal performance.

The LTC1922-1 also provides secondary side synchronous rectifier control. The device uses peak current mode control with programmable slope comp and leading edge blanking.

The LTC1922-1 features extremely low operating and start-up currents to simplify off-line start-up and bias circuitry. The LTC1922-1 also includes a full range of protection features and is available in 20-pin through hole (N) and surface mount (G) packages.

Applications

* Telecommunications, Infrastructure Power Systems

* Distributed Power Architectures

* Server Power Supplies

* High Density Power Modules

* Adaptive DirectSense™ Zero Voltage Switching

* Integrated Synchronous Rectification Control for Highest Efficiency

* Output Power Levels from 50W to Kilowatts

* Very Low Start-Up and Quiescent Currents

* Compatible with Voltage Mode and Current Mode Topologies

* Programmable Slope Compensation

* Undervoltage Lockout Circuitry with 4.2V Hysteresis and Integrated 10.3V Shunt Regulator

* Fixed Frequency Operation to 1MHz

* 50mA Outputs for Bridge Drive and Secondary Side Synchronous Rectifiers

* Soft-Start, Cycle-by-Cycle Current Limiting and Hiccup Mode Short-Circuit Protection

* 5V, 15mA Low Dropout Regulator

* 20-Pin PDIP and SSOP Packages

Elecena nie prowadzi sprzedaży elementów elektronicznych, ani w niej nie pośredniczy.

Produkt pochodzi z oferty sklepu