elecena.pl

Quad 14-Bit Rail-to-Rail DACs in 16-Lead SSOP

Analog Devices

Quad 14-Bit Rail-to-Rail DACs in 16-Lead SSOP RSS Sample
  • Darmowa próbka
MPN:
LTC2614
Producent:
ANALOG DEVICES
Dodany do bazy:
Ostatnio widziany:
Zmiana ceny:
-100% (17.01.2025)
Poprzednia cena:
9.97

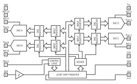
The LTC2604/LTC2614/LTC2624 are quad 16-,14- and 12-bit 2.5V to 5.5V rail-to-rail voltage output DACs in 16-lead narrow SSOP packages. These parts have separate reference inputs for each DAC. They have built-in high performance output buffers and are guaranteed monotonic.

These parts establish advanced performance standards for output drive, crosstalk and load regulation in single supply, voltage output multiples.

The parts use a simple SPI/MICROWIRE compatible 3-wire serial interface which can be operated at clock rates up to 50MHz. Daisy-chain capability and a hardware CLR function are included.

The LTC2604/LTC2614/LTC2624 incorporate a poweron reset circuit. During power-up, the voltage outputs rise less than 10mV above zero scale; and after power-up, they stay at zero scale until a valid write and update take place. The power-on reset circuit resets the LTC2604-1/ LTC2614-1/LTC2624-1 to midscale. The voltage outputs stay at midscale until a valid write and update take place.

Applications

* Mobile Communications

* Process Control and Industrial Automation

* Instrumentation

* Automatic Test Equipment

* Smallest Pin Compatible Quad 16-Bit DAC:

* LTC2604: 16-Bits

* LTC2614: 14-Bits

* LTC2624: 12-Bits

* Guaranteed 16-Bit Monotonic Over Temperature

* Separate Reference Inputs for each DAC

* Wide 2.5V to 5.5V Supply Range

* Low Power Operation: 250µA per DAC at 3V

* Individual DAC Power-Down to 1µA, Max

* Ultralow Crosstalk Between DACs (<5µV)

* High Rail-to-Rail Output Drive (±15mA)

* Double Buffered Digital Inputs

* LTC2604-1/LTC2614-1/LTC2624-1: Power-On Reset to Midscale

* 16-Lead Narrow SSOP Package

Elecena nie prowadzi sprzedaży elementów elektronicznych, ani w niej nie pośredniczy.

Produkt pochodzi z oferty sklepu