Hot Swappable 2-Wire Bus Buffer with Stuck Bus Recovery
Analog Devices
RSS
Sample
- Darmowa próbka
- MPN:
- LTC4304
- Producent:
- ANALOG DEVICES
- Dodany do bazy:
- Ostatnio widziany:
- Zmiana ceny:
- -100% (21.01.2025)
- Poprzednia cena:
- 2.72
Sugerowane produkty dla ltc4304
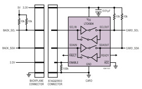
The LTC4304 hot swappable 2-wire bus buffer allows I/O card insertion into a live backplane without corruption of the data and clock busses. When a connection is made, the LTC4304 provides bidirectional buffering, keeping the backplane and card capacitances isolated. If SDAOUT or SCLOUT is low for ≥30ms (typ), the LTC4304 automatically breaks the data and clock bus connection and FAULT will pull low. At this time the LTC4304 automatically generates up to 16 clock pulses on SCLOUT in an attempt to free the bus. A connection will be enabled automatically when the bus becomes free. A logic low on the ACC input enables the LTC4304's rise-time accelerators. A logic high on ACC disables the rise-time accelerators, which allows SDA and SCL bus pull-up voltages below VCC.
During insertion, the SDA and SCL lines are precharged to 1V to minimize bus disturbances. When driven high, ENABLE allows the LTC4304 to connect after a stop bit or bus idle occurs. Driving ENABLE low breaks the connection between SDAIN and SDAOUT, SCLIN and SCLOUT. READY is an open drain output that indicates when the backplane and card sides are connected together.
Applications
* Hot Board Insertion
* Servers
* Capacitance Buffer/Bus Extender
* RAID Systems
* Automatic Disconnect of SDA/SCL Lines when Bus is Stuck Low for ≥30ms
* Fault Flag for Stuck Bus
* Recovers Stuck Busses with Automatic Clocking*
* Bidirectional Buffer* for SDA and SCL Lines Increases Fanout
* Prevents SDA and SCL Corruption During Live Board Insertion and Removal from Backplane
* Allows Bus Pullup Voltages Above and Below VCC
* ±15kV Human Body Model ESD Protection
* Isolates Input SDA and SCL Lines from Output
* Compatible with I2C™, I2C Fast-Mode and SMBus Standards (Up to 400kHz Operation)
* READY Open Drain Output
* 1V Precharge on All SDA and SCL Lines
* High Impedance SDA, SCL Pins for VCC = 0V
* ENABLE Gates Connection from Input to Output
* MSOP 10-Pin and DFN (3mm × 3mm) Packages
Elecena nie prowadzi sprzedaży elementów elektronicznych, ani w niej nie pośredniczy.
Produkt pochodzi z oferty sklepu Analog Devices