elecena.pl

2-bit level-translating 400-kHz I2C/SMBus buffer/repeater with powered-off high-impedance

Texas Instruments

2-bit level-translating 400-kHz I2C/SMBus buffer/repeater with powered-off high-impedance RSS Sample
  • Darmowa próbka
MPN:
TCA9517A
Producent:
TEXAS INSTRUMENTS
Dodany do bazy:
Ostatnio widziany:

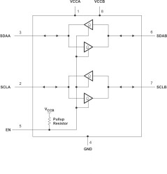
The TCA9517A is a bidirectional buffer with level shifting capabilities for I2C and SMBus systems. It provides bidirectional voltage-level translation (up-translation/down-translation) between low voltages (down to 0.9V) and higher voltages (2.7V to 5.5V) in mixed-mode applications. This device enables I2C and SMBus systems to be extended without degradation of performance, even during level shifting.

The TCA9517A buffers both the serial data (SDA) and the serial clock (SCL) signals on the I2C bus, thus allowing two buses of up to 400pF bus capacitance to be connected in an I2C application.

The TCA9517A has two types of drivers: A-side drivers and B-side drivers. All inputs and I/Os are over-voltage tolerant to 5.5V, even when the device is unpowered (VCCB and/or VCCA = 0V).

The TCA9517A offers a higher contention level threshold, VILC, than the TCA9517, which allows connections to targets which have weaker pulldown ability.

The type of buffer design on the B-side prevents it from being used in series with devices which use static voltage offset. This is because these devices do not recognize buffered low signals as a valid low and do not propagate it as a buffered low again.

The B-side drivers operate from 2.7V to 5.5V. The output low level for this internal buffer is approximately 0.5V, but the input voltage must be 70mV or more below the output low level when the output internally is driven low. The higher-voltage low signal is called a buffered low. When the B-side I/O is driven low internally, the low is not recognized as a low by the input. This feature prevents a lockup condition from occurring when the input low condition is released.

Elecena nie prowadzi sprzedaży elementów elektronicznych, ani w niej nie pośredniczy.

Produkt pochodzi z oferty sklepu