elecena.pl

High voltage dual Interleaved current mode controller

Texas Instruments

High voltage dual Interleaved current mode controller RSS Sample
  • Darmowa próbka
MPN:
LM5032
Producent:
TEXAS INSTRUMENTS
Dodany do bazy:
Ostatnio widziany:

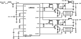
The LM5032 dual current mode PWM controller contains all the features needed to control either two independent forward dc/dc converters or a single high current converter comprised of two interleaved power stages. The two controller channels operate 180° out of phase thereby reducing input ripple current. The LM5032 includes a startup regulator that operates over a wide input range up to 100 V and compound (bipolar + CMOS) gate drivers that provide a robust 2.5-A peak sink current. The adjustable maximum PWM duty cycle reduce stress on the primary side MOSFET switches. Additional features include programmable line undervoltage lockout, cycle-by-cycle current limit, hiccup mode fault operation with adjustable response time, PWM slope compensation, soft-start, and a 2-MHz capable oscillator with synchronization capability.

For all available packages, see the orderable addendum at the end of the datasheet.

Elecena nie prowadzi sprzedaży elementów elektronicznych, ani w niej nie pośredniczy.

Produkt pochodzi z oferty sklepu