elecena.pl

Two channel fixed-direction level shifter with channels in same direction

Texas Instruments

Two channel fixed-direction level shifter with channels in same direction RSS Sample
  • Darmowa próbka
MPN:
TXU0102
Producent:
TEXAS INSTRUMENTS
Dodany do bazy:
Ostatnio widziany:

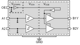
TXU0102 is a 2-bit, dual-supply noninverting fixed direction voltage level translation device. Ax pins are referenced to VCCA logic level, OE pin can be referenced to either VCCA or VCCB logic levels, and Bx pins are referenced to VCCB logic levels. The A port is able to accept input voltages ranging from 1.1 V to 5.5 V, while the B port can also accept input voltages from 1.1 V to 5.5 V. Fixed direction data transmission can occur from A to B or B to A when OE is set to high in reference to either supply. When OE is set to low, all output pins are in the high-impedance state. See Device Functional Modes for a summary of the operation of the control logic.

Elecena nie prowadzi sprzedaży elementów elektronicznych, ani w niej nie pośredniczy.

Produkt pochodzi z oferty sklepu