elecena.pl

4.2-V to 18-V, 2-A, 1.2-MHz, synchronous buck converter with eco-mode and selectable FCCM

Texas Instruments

4.2-V to 18-V, 2-A, 1.2-MHz, synchronous buck converter with eco-mode and selectable FCCM RSS Sample
  • Darmowa próbka
MPN:
TPS562212
Producent:
TEXAS INSTRUMENTS
Dodany do bazy:
Ostatnio widziany:

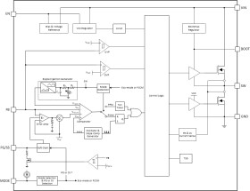
The TPS562212 is a cost-effective and highly flexible synchronous buck converter that provides selectable Eco-mode operation or FCCM (force continuous conduction mode) operation. A selectable power-good indicator or external soft start is also configurable through the MODE pin. Power sequencing is possible by correctly configuring the Enable pin, power-good indicator, or external soft start. A wide input voltage range of 4.2 V to 18 V supports a wide variety of common input rails like 12 V and 15 V. It supports up to 2-A continuous output current at output voltages between 0.6 V and 7 V.

The device provides fast transient response with true fixed switching frequency through the use of the Advanced Emulated Current Mode (AECM) control topology. With internal smart loop bandwidth control, the device provides fast transient response over a wide output voltage range without the need for external compensation.

Cycle-by-cycle current limit on the high-side peak current protects the device in overload situations and is enhanced by a low-side valley current limit, which prevents current runaway. Hiccup mode would be triggered under overvoltage protection (OVP), undervoltage protection (UVP), UVLO protection, and thermal shutdown.

The device is available in a 1.6-mm × 2.1-mm SOT583 package.

Elecena nie prowadzi sprzedaży elementów elektronicznych, ani w niej nie pośredniczy.

Produkt pochodzi z oferty sklepu