elecena.pl

36-V, 16-A buck-boost converter with I2C control, AEC-Q100 qualified

Texas Instruments

36-V, 16-A buck-boost converter with I2C control, AEC-Q100 qualified RSS Sample
  • Darmowa próbka
MPN:
TPS55288-Q1
Producent:
TEXAS INSTRUMENTS
Dodany do bazy:
Ostatnio widziany:

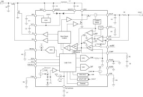
The TPS55288-Q1 is a synchronous four-switch buck-boost converter capable of regulating the output voltage at, above, or below the input voltage. The TPS55288-Q1 operates over 2.7-V to 36-V wide input voltage and is capable of outputing 0.8-V to 22-V voltage to support a variety of applications.

The TPS55288-Q1 integrates two 16-A MOSFETs of the boost leg to balance the solution size and efficiency. With the programmable output voltage and output current limit through I2C interface, the TPS55288-Q1 is fully compliant to the USB PD specification. The TPS55288-Q1 is capable of delivering 100 W from 12-V input voltage.

The TPS55288-Q1 employs an average current-mode control scheme. The switching frequency is programmable from 200 kHz to 2.2 MHz by an external resistor and can be synchronized to an external clock. The TPS55288-Q1 also provides optional spread spectrum to minimize peak EMI.

The TPS55288-Q1 offers output over-voltage protection, average inductor current limit, cycle-by-cycle peak current limit and output short circuit protection. The TPS55288-Q1 also ensures safe operating with optional output current limit and hiccup-mode protection in sustained overload conditions.

The TPS55288-Q1 can use a small inductor and small capacitors with high switching frequency. It is available in a 4.0-mm × 3.5-mm QFN package.

Elecena nie prowadzi sprzedaży elementów elektronicznych, ani w niej nie pośredniczy.

Produkt pochodzi z oferty sklepu