elecena.pl

Automotive dual 2.4-A USB Type-A charging ports controller with load shedding, 2.2 MHz

Texas Instruments

Automotive dual 2.4-A USB Type-A charging ports controller with load shedding, 2.2 MHz RSS Sample
  • Darmowa próbka
MPN:
TPS25864-Q1
Producent:
TEXAS INSTRUMENTS
Dodany do bazy:
Ostatnio widziany:

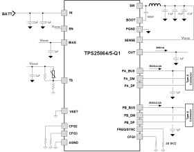
The TPS2586x-Q1 is an integrated USB charging port solution, which includes a synchronous, high efficiency DC/DC converter and integrated detection and control for implementing USB Battery Charging 1.2 in dual Type-A ports.

The TPS2586x-Q1 is a highly-integrated USB Type-A charging controller for dual-USB ports application.

The TPS2586x-Q1 integrates a monolithic, synchronous, rectified, step-down, switch-mode converter with internal power MOSFETs and two USB current-limit switches with charging port auto-detection. The TPS2586x-Q1 offers a compact solution with excellent load and line regulation over a wide input supply range. The synchronous buck regulator operates with peak-current mode control and is internally compensated to simplify the design. For TPS25865-Q1, a resistor on the FREQ pin sets the switching frequency between 200 kHz and 800 kHz. For TPS25864-Q1, a resistor on the FREQ pin sets the switching frequency between 200 kHz and 3 MHz. Operating below 400 kHz results in better system efficiency and operation above 2.1 MHz avoids the AM radio bands and allows for use of a smaller inductor.

The TPS2586x-Q1 integrates standard battery charging (Rev. 1.2) and provides the required electrical signatures necessary for USB Type-A devices which use USB data line signaling to determine USB port current sourcing capabilities. The TPS2586x-Q1 also has integrated an OUT power switch that can provide maximum 200-mA current for auxiliary loads. The device is especially suitable for dual-port application due to the high system integration and small footprint. The device is especially suitable for dual-port application due to the high system integration and small footprint.

The TPS2586x-Q1 supports intelligent thermal management. The USB output voltage can be regulated according to the temperature sensing through the TS pin. The TPS2586x-Q1 must connect a NTC thermistor on the TS pin to monitor the ambient temperature or PCB boar temperature, depending on where the NTC thermistor is put in the USB charging module or PCB board. Select a different NTC thermistor and bottom-side series resistor can change the temperature threshold for load shedding.

The TPS2586x-Q1 have four selectable USB output voltage settings: 5.1 V, 5.17 V, 5.3 V, and 5.4 V. The TPS2586x-Q1 integrates a precision current sense amplifier for cable droop compensation and USB ports current limit. The cable compensation is only available when the output voltage is set to 5.17 V. The cable compensation voltage is 90 mV at 2.4-A output current. Cable compensation aids portable devices in charging at optimum current and voltage under heavy loads by changing the buck regulator output voltage linearly with load current to counteract the voltage drop due to wire resistance in automotive cabling. The BUS voltage measured at a connected portable device remains approximately constant, regardless of load current, allowing the battery charger of the portable device to work optimally.

The TPS2586x-Q1 provides various safety features for USB charging and system operations, including external negative thermistor monitoring, cycle-by-cycle current limit, hiccup short-circuit protection, undervoltage lockout, BUS overcurrent, OUT overcurrent, and die overtemperature protection.

The device family is available in a 25-pin, 3.5 mm × 4.5 mm QFN package.

Elecena nie prowadzi sprzedaży elementów elektronicznych, ani w niej nie pośredniczy.

Produkt pochodzi z oferty sklepu