elecena.pl

USB Type-C® controller with integrated source power switch

Texas Instruments

USB Type-C® controller with integrated source power switch RSS Sample
  • Darmowa próbka
MPN:
TPS25814
Producent:
TEXAS INSTRUMENTS
Dodany do bazy:
Ostatnio widziany:

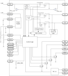
The TPS25814 is a stand-alone USB Type-C controller providing cable plug and orientation detection for one USB Type-C connector. Upon cable attachment, the TPS25814 performs cable detection according to the USB Type-C specification. When cable detection is complete, the TPS25814 enables the internal power path. Status indicator pins may be used to control an external multiplexer.

Elecena nie prowadzi sprzedaży elementów elektronicznych, ani w niej nie pośredniczy.

Produkt pochodzi z oferty sklepu