elecena.pl

5.5-V, 10-A, 4-mΩ On-Resistance load switch

Texas Instruments

5.5-V, 10-A, 4-mΩ On-Resistance load switch RSS Sample
  • Darmowa próbka
MPN:
TPS22998
Producent:
TEXAS INSTRUMENTS
Dodany do bazy:
Ostatnio widziany:

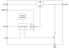
The TPS22998 is a single-channel load switch that provides a configurable rise time to minimize inrush current. The device contains an N-channel MOSFET that can operate over an input voltage range of 0.2 V to 5.5 V and can support a maximum continuous current of 10 A.

The switch is controlled by an on and off input (ON), which is capable of interfacing directly with low voltage control signals (VIH = 0.9 V). The TPS22998 has a fixed quick output discharge when switch is turned off, pulling the output down to ground.

The TPS22998 is available in a 1.5 × 2.0 mm, 0.5 mm pitch, 10-pin WQFN package (RYZ) and is characterized for operation over the free-air temperature range of –40°C to +105°C.

Elecena nie prowadzi sprzedaży elementów elektronicznych, ani w niej nie pośredniczy.

Produkt pochodzi z oferty sklepu