elecena.pl

Enhanced Automotive dual CAN transceiver with Standby

Texas Instruments

Enhanced Automotive dual CAN transceiver with Standby RSS Sample
  • Darmowa próbka
MPN:
TCAN1046A-Q1
Producent:
TEXAS INSTRUMENTS
Dodany do bazy:
Ostatnio widziany:

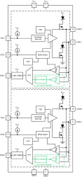
The TCAN1046A-Q1 is a dual high-speed controller area network (CAN) transceiver that meets the physical layer requirements of the ISO 11898-2:2016 high-speed CAN specification.

The device supports both classical CAN and CAN FD networks up to 8 megabits per second (Mbps). The device has two CAN FD channels with independent supply, VCC1 and VCC2, and mode control, STB1 and STB2 pins, allowing for true independent operation of each CAN channel. The ability to operate each channel independent of one another is important in applications that require redundancy or additional CAN FD channels to act as a back-up in the event of a system failure.

The device includes many protection and diagnostic features including thermal-shutdown (TSD), TXD-dominant time-out (DTO), and bus fault protection up to ±58 V. The device has defined failsafe behavior in supply under-voltage or floating pin scenarios.

Elecena nie prowadzi sprzedaży elementów elektronicznych, ani w niej nie pośredniczy.

Produkt pochodzi z oferty sklepu