Automotive 8-bit addressable latches
Texas Instruments
RSS
Sample
Przejdź do sklepu »
- Darmowa próbka
- MPN:
- SN74HCS259-Q1
- Producent:
- TEXAS INSTRUMENTS
- Dodany do bazy:
- Ostatnio widziany:
Sugerowane produkty dla sn74hcs259
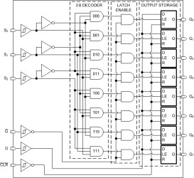
The SN74HCS259-Q1 8-bit addressable latches are designed for general-purpose storage applications in digital systems. Specific uses include working registers, serial-holding registers, and active-high decoders or demultiplexers. They are multifunctional devices capable of storing single-line data in eight addressable latches and being a 1-of-8 decoder or demultiplexer with active-high outputs.
Elecena nie prowadzi sprzedaży elementów elektronicznych, ani w niej nie pośredniczy.
Produkt pochodzi z oferty sklepu Texas Instruments