Quad-channel 32-bit 192-kHz audio analog-to-digital converter (ADC)
Texas Instruments
RSS
Sample
- Darmowa próbka
- MPN:
- PCM1840
- Producent:
- TEXAS INSTRUMENTS
- Dodany do bazy:
- Ostatnio widziany:
Sugerowane produkty dla pcm1840
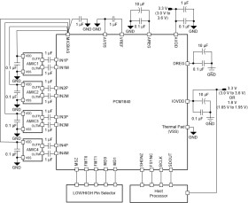
The PCM1840 is a high-performance, Burr-Brown™ audio analog-to-digital converter (ADC) that supports simultaneous sampling of up to four analog channels. The device supports differential line and microphone inputs with 2-VRMS full-scale signal. The device integrates microphone bias voltage, a phase-locked loop (PLL), a DC removal high-pass filter (HPF), and supports sample rates up to 192 kHz. The device supports time-division multiplexing (TDM), I2S, or left-justified (LJ) audio formats, selectable with the hardware pin level. Additionally, the PCM1840 supports master and slave mode selection for the audio bus interface operation. These integrated high-performance features, along with the ability to be powered from a single supply of 3.3 V, make the device an excellent choice for cost-sensitive, space-constrained audio systems in far-field microphone recording applications.
The PCM1840 is specified from –40°C to +125°C, and is offered in a 24-pin WQFN package.
Elecena nie prowadzi sprzedaży elementów elektronicznych, ani w niej nie pośredniczy.
Produkt pochodzi z oferty sklepu Texas Instruments