40V 5A 2.2MHz step-down converter
Texas Instruments
RSS
Sample
- Darmowa próbka
- MPN:
- LV14540
- Producent:
- TEXAS INSTRUMENTS
- Dodany do bazy:
- Ostatnio widziany:
Sugerowane produkty dla lv14540
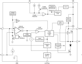
The LV14540 is a 40V, 5A, step-down regulator with an integrated high-side MOSFET. With a wide input range from 4V to 40V, the device is designed for various applications from industrial to automotive for power conditioning from unregulated sources. A wide adjustable switching frequency range allows either efficiency or external component size to be optimized. Internal loop compensation means that the user is free from the tedious task of loop compensation design. Internal loop compensation also minimizes the external components of the device. A precision enable input allows simplification of regulator control and system power sequencing. The device also has built-in protection features such as cycle-by-cycle current limit, thermal sensing and shutdown due to excessive power dissipation, and output overvoltage protection.
Elecena nie prowadzi sprzedaży elementów elektronicznych, ani w niej nie pośredniczy.
Produkt pochodzi z oferty sklepu Texas Instruments