elecena.pl

SIMPLE SWITCHER® 4.5-V to 36-V, 3-A synchronous buck converter with 40-µA IQ

Texas Instruments

SIMPLE SWITCHER® 4.5-V to 36-V, 3-A synchronous buck converter with 40-µA IQ RSS Sample
  • Darmowa próbka
MPN:
LMR51430
Producent:
TEXAS INSTRUMENTS
Dodany do bazy:
Ostatnio widziany:

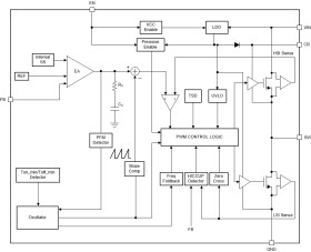
The LMR51430 is a wide-VIN, easy-to-use SIMPLE SWITCHER power converter synchronous buck converter capable of driving up to 3-A load current. With a wide input range of 4.5 V to 36 V, the device is suitable for a wide range of industrial applications for power conditioning from an unregulated source.

The LMR51430 operates at 500-kHz and 1.1-MHz switching frequency to support use of relatively small inductors for an optimized solution size. The device has a PFM version to realize high efficiency at light load and FPWM version to achieve constant frequency, and small output voltage ripple over the full load range. Soft-start and compensation circuits are implemented internally, which allows the device to be used with minimum external components.

The device has built-in protection features, such as cycle-by-cycle current limit, hiccup mode short-circuit protection, and thermal shutdown in case of excessive power dissipation. The LMR51430 is available in a 6-pin SOT-23 package.

Elecena nie prowadzi sprzedaży elementów elektronicznych, ani w niej nie pośredniczy.

Produkt pochodzi z oferty sklepu